LEMON Manuals: Even more car manuals for everyone: 1960-2025
Home >> Toyota >> 2012 >> Yaris Base, Automatic Trans >> Repair and Diagnosis >> Electrical >> Body Electrical >> OEM System Circuits >> Wireless Door Lock Control (S/D) >> Notes
April 5, 2026: LEMON Manuals is launched! Read the announcement.

Wireless Door Lock Control (S/D): Notes

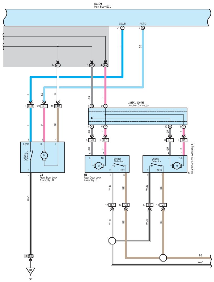
Fig 1: Wireless Door Lock Control (S/D) - Circuit Diagram (1 Of 5)
G08949451Courtesy of © TOYOTA, LICENSE AGREEMENT TMS1002
Fig 2: Wireless Door Lock Control (S/D) - Circuit Diagram (2 Of 5)
G08949452Courtesy of © TOYOTA, LICENSE AGREEMENT TMS1002
Fig 3: Wireless Door Lock Control (S/D) - Circuit Diagram (3 Of 5)
G08949453Courtesy of © TOYOTA, LICENSE AGREEMENT TMS1002
Fig 4: Wireless Door Lock Control (S/D) - Circuit Diagram (4 Of 5)
G08949454Courtesy of © TOYOTA, LICENSE AGREEMENT TMS1002
Fig 5: Wireless Door Lock Control (S/D) - Circuit Diagram (5 Of 5)
G08949455Courtesy of © TOYOTA, LICENSE AGREEMENT TMS1002