LEMON Manuals: Even more car manuals for everyone: 1960-2025
Home >> Toyota >> 2013 >> 4Runner Trail >> Repair and Diagnosis >> Electrical >> Body Electrical >> OEM System Circuits >> Automatic Running Board >> Notes
April 5, 2026: LEMON Manuals is launched! Read the announcement.

Automatic Running Board: Notes

Fig 1: Automatic Running Board - Circuit Diagram (1 Of 6)
G08950290Courtesy of © TOYOTA, LICENSE AGREEMENT TMS1002
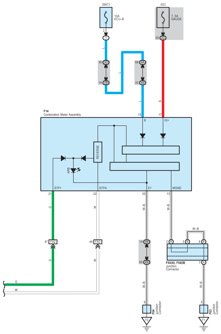
Fig 2: Automatic Running Board - Circuit Diagram (2 Of 6)
G08950291Courtesy of © TOYOTA, LICENSE AGREEMENT TMS1002
Fig 3: Automatic Running Board - Circuit Diagram (3 Of 6)
G08950292Courtesy of © TOYOTA, LICENSE AGREEMENT TMS1002
Fig 4: Automatic Running Board - Circuit Diagram (4 Of 6)
G08950293Courtesy of © TOYOTA, LICENSE AGREEMENT TMS1002
Fig 5: Automatic Running Board - Circuit Diagram (5 Of 6)
G08950294Courtesy of © TOYOTA, LICENSE AGREEMENT TMS1002
Fig 6: Automatic Running Board - Circuit Diagram (6 Of 6)
G08950295Courtesy of © TOYOTA, LICENSE AGREEMENT TMS1002