LEMON Manuals: Even more car manuals for everyone: 1960-2025
Home >> Toyota >> 2013 >> Avalon XLE >> Repair and Diagnosis >> Electrical >> Body Electrical >> OEM System Circuits >> Blind Spot Monitor System >> Notes
April 5, 2026: LEMON Manuals is launched! Read the announcement.

Blind Spot Monitor System: Notes

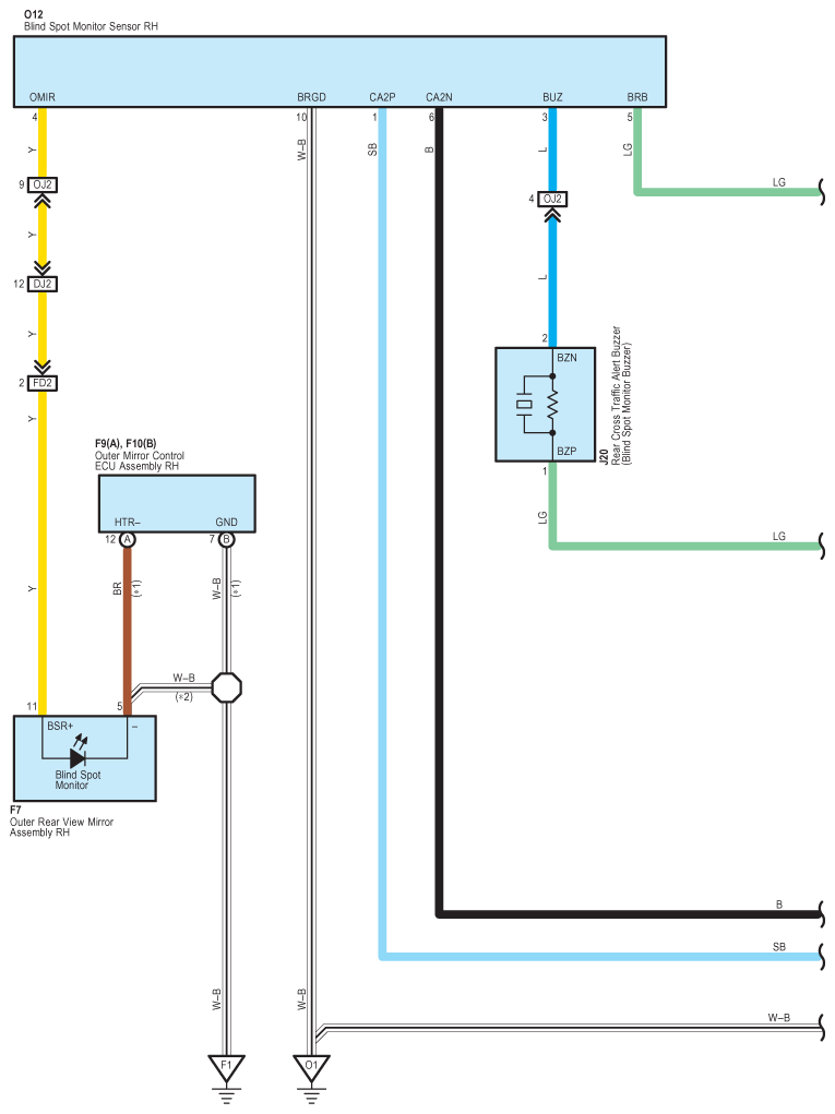
Fig 1: Blind Spot Monitor System Wiring Diagram (1 Of 6)
G09095538Courtesy of © TOYOTA, LICENSE AGREEMENT TMS1002
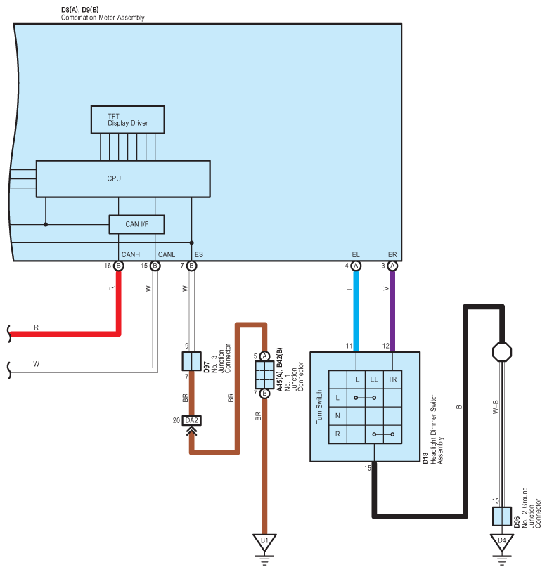
Fig 2: Blind Spot Monitor System Wiring Diagram (2 Of 6)
G09095539Courtesy of © TOYOTA, LICENSE AGREEMENT TMS1002
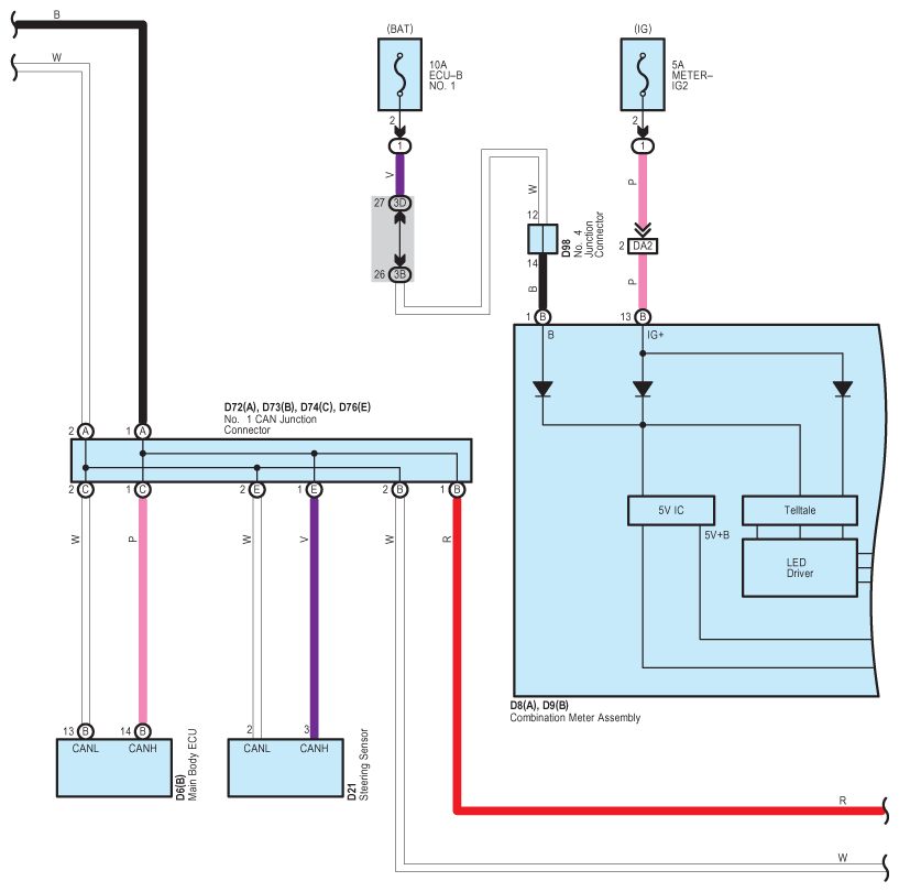
Fig 3: Blind Spot Monitor System Wiring Diagram (3 Of 6)
G09095540Courtesy of © TOYOTA, LICENSE AGREEMENT TMS1002
Fig 4: Blind Spot Monitor System Wiring Diagram (4 Of 6)
G09095541Courtesy of © TOYOTA, LICENSE AGREEMENT TMS1002
Fig 5: Blind Spot Monitor System Wiring Diagram (5 Of 6)
G09095542Courtesy of © TOYOTA, LICENSE AGREEMENT TMS1002
Fig 6: Blind Spot Monitor System Wiring Diagram (6 Of 6)
G09095543Courtesy of © TOYOTA, LICENSE AGREEMENT TMS1002