LEMON Manuals: Even more car manuals for everyone: 1960-2025
Home >> Toyota >> 2013 >> Avalon XLE >> Repair and Diagnosis >> Electrical >> Body Electrical >> OEM System Circuits >> Interior Light >> Notes
April 5, 2026: LEMON Manuals is launched! Read the announcement.

Interior Light: Notes

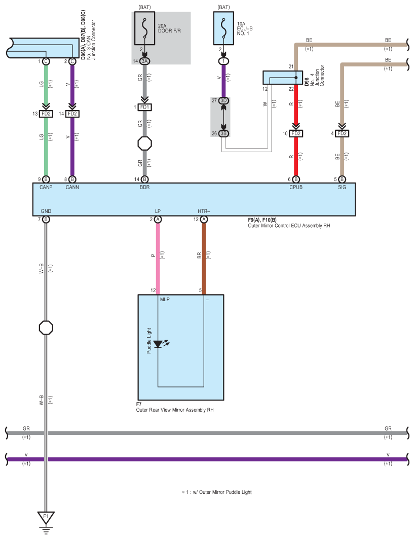
Fig 1: Interior Light System Wiring Diagram (1 Of 12)
G09095400Courtesy of © TOYOTA, LICENSE AGREEMENT TMS1002
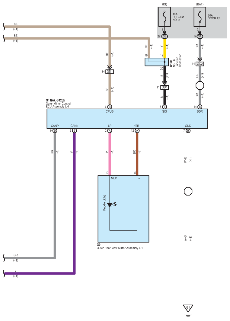
Fig 2: Interior Light System Wiring Diagram (2 Of 12)
G09095401Courtesy of © TOYOTA, LICENSE AGREEMENT TMS1002
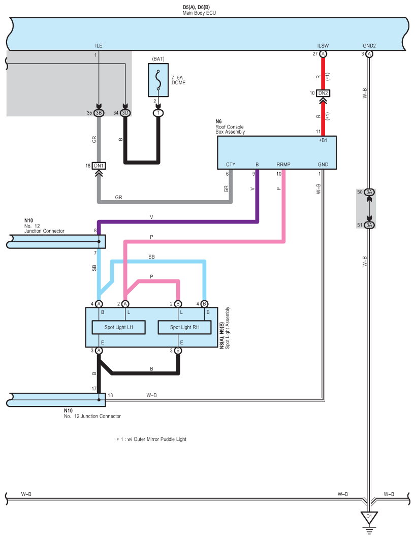
Fig 3: Interior Light System Wiring Diagram (3 Of 12)
G09095402Courtesy of © TOYOTA, LICENSE AGREEMENT TMS1002
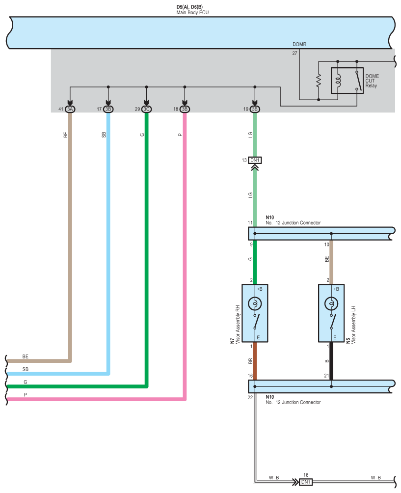
Fig 4: Interior Light System Wiring Diagram (4 Of 12)
G09095403Courtesy of © TOYOTA, LICENSE AGREEMENT TMS1002
Fig 5: Interior Light System Wiring Diagram (5 Of 12)
G09095404Courtesy of © TOYOTA, LICENSE AGREEMENT TMS1002
Fig 6: Interior Light System Wiring Diagram (6 Of 12)
G09095405Courtesy of © TOYOTA, LICENSE AGREEMENT TMS1002
Fig 7: Interior Light System Wiring Diagram (7 Of 12)
G09095406Courtesy of © TOYOTA, LICENSE AGREEMENT TMS1002
Fig 8: Interior Light System Wiring Diagram (8 Of 12)
G09095407Courtesy of © TOYOTA, LICENSE AGREEMENT TMS1002
Fig 9: Interior Light System Wiring Diagram (9 Of 12)
G09095408Courtesy of © TOYOTA, LICENSE AGREEMENT TMS1002
Fig 10: Interior Light System Wiring Diagram (10 Of 12)
G09095409Courtesy of © TOYOTA, LICENSE AGREEMENT TMS1002
Fig 11: Interior Light System Wiring Diagram (11 Of 12)
G09095410Courtesy of © TOYOTA, LICENSE AGREEMENT TMS1002
Fig 12: Interior Light System Wiring Diagram (12 Of 12)
G09095411Courtesy of © TOYOTA, LICENSE AGREEMENT TMS1002