LEMON Manuals: Even more car manuals for everyone: 1960-2025
Home >> Toyota >> 2013 >> Camry L >> Repair and Diagnosis (Single Page) >> Body & Frame >> Windows >> Power Window Control System (Diagnostics - Introduction) (Except Hybrid) >> Power Window Control System >> System Diagram >> System Diagram
April 5, 2026: LEMON Manuals is launched! Read the announcement.

System Diagram

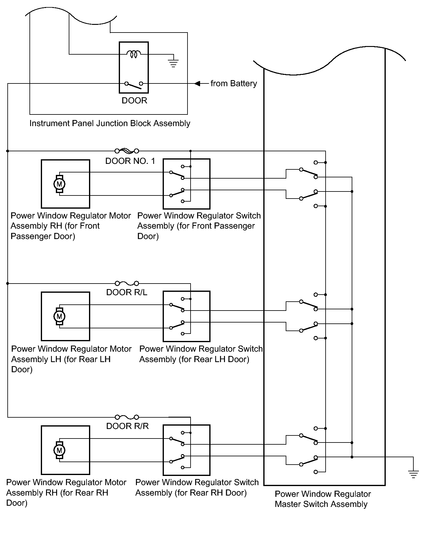
Fig 1: Power Window Control System Diagram (1 Of 2)
GTY322439Courtesy of © TOYOTA, LICENSE AGREEMENT TMS1002
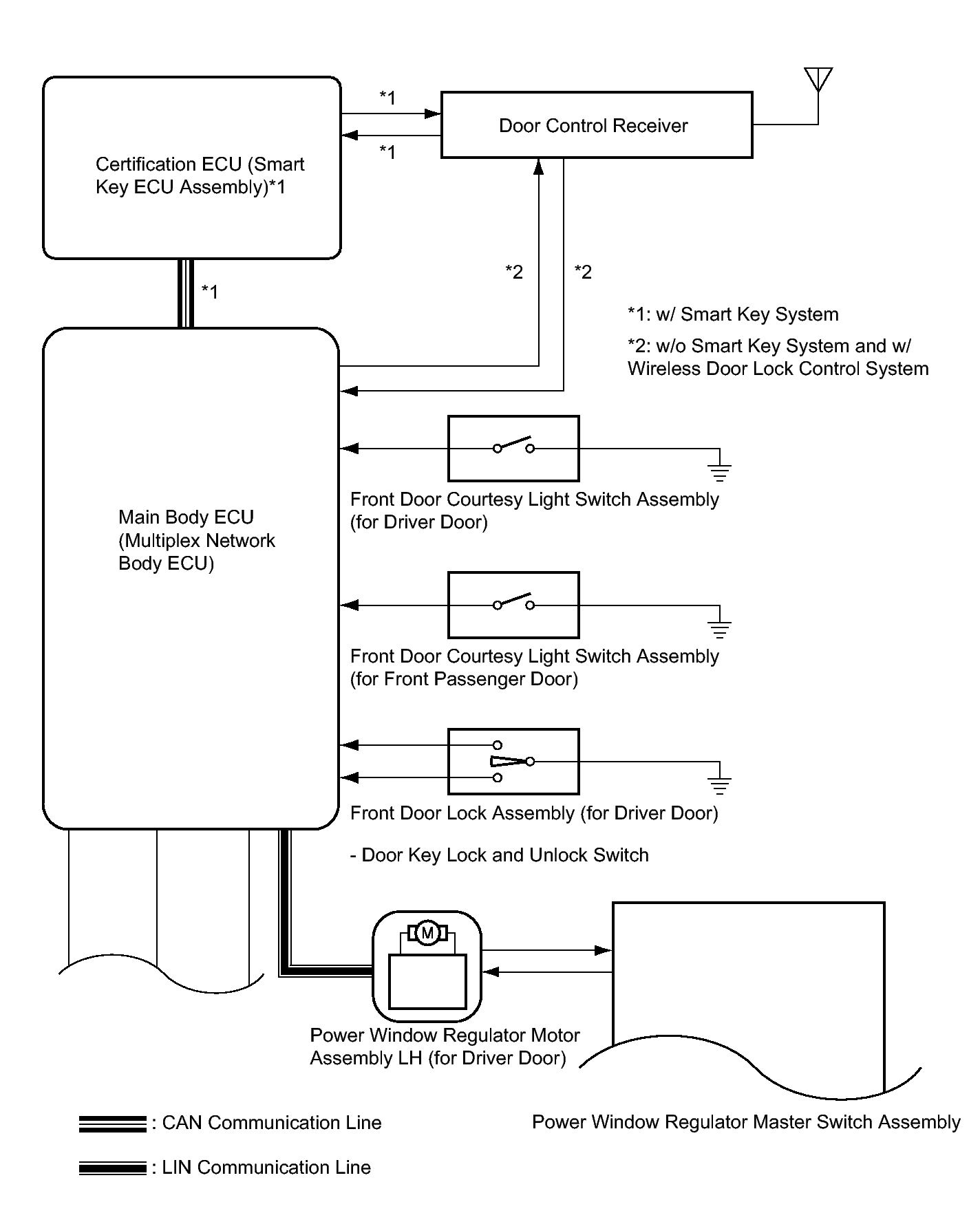
Fig 2: Power Window Control System Diagram (2 Of 2)
GTY320284Courtesy of © TOYOTA, LICENSE AGREEMENT TMS1002
COMMUNICATION TABLE

Transmitting ECU Receiving ECU Signal Communication Method
Main Body ECU (Multiplex Network Body ECU) Power Window Regulator Motor Assembly LH (for Driver Door)
  • Power window operation permission signal
  • Key-linked power window up and down signal
  • Wireless power window down signal*1
LIN
Certification ECU (Smart Key ECU Assembly)*2 Main Body ECU (Multiplex Network Body ECU)
  • Wireless power window down signal*1
CAN