LEMON Manuals: Even more car manuals for everyone: 1960-2025
Home >> Toyota >> 2013 >> Camry LE >> Repair and Diagnosis (Single Page) >> Electrical >> Motors, Switches, Relays >> OEM System Circuits (Except Hybrid) >> Engine Immobilizer System (w/ Smart Key System), Remote Engine Starter System, Smart Key System, Starting (w/Smart Key System), Steering Lock (w/ Smart Key System) and Wireless Door Lock Control (w/ Smart Key System) >> Notes
April 5, 2026: LEMON Manuals is launched! Read the announcement.

Engine Immobilizer System (w/ Smart Key System), Remote Engine Starter System, Smart Key System, Starting (w/Smart Key System), Steering Lock (w/ Smart Key System) and Wireless Door Lock Control (w/ Smart Key System): Notes

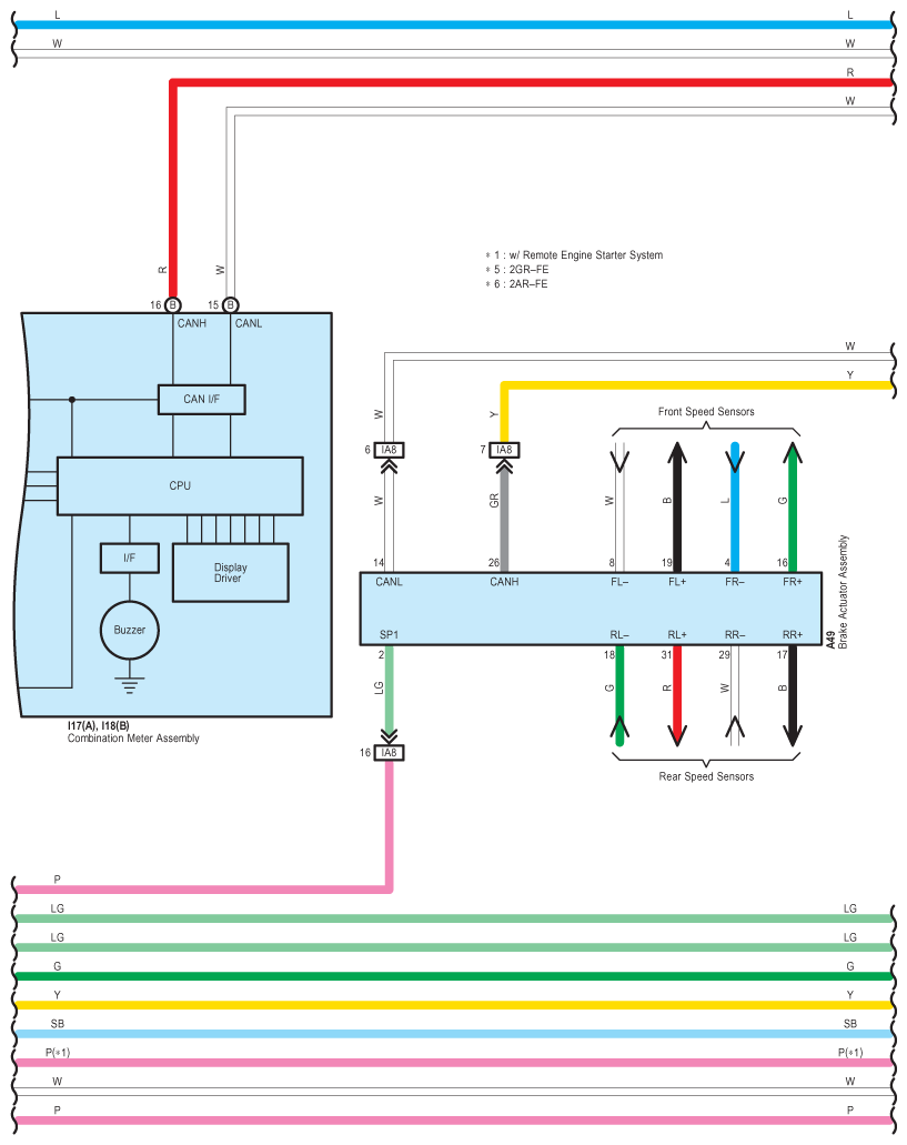
Fig 1: Engine Immobilizer, Starter, Starting, Steering Lock And Wireless Door Lock (w/Smart Key) System Wiring Diagram (1 Of 20)
G09105018Courtesy of © TOYOTA, LICENSE AGREEMENT TMS1002
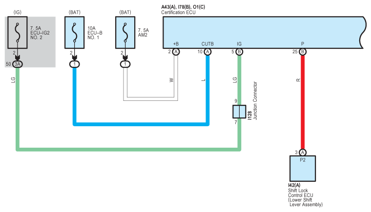
Fig 2: Engine Immobilizer, Starter, Starting, Steering Lock And Wireless Door Lock (w/Smart Key) System Wiring Diagram (2 Of 20)
G09105019Courtesy of © TOYOTA, LICENSE AGREEMENT TMS1002
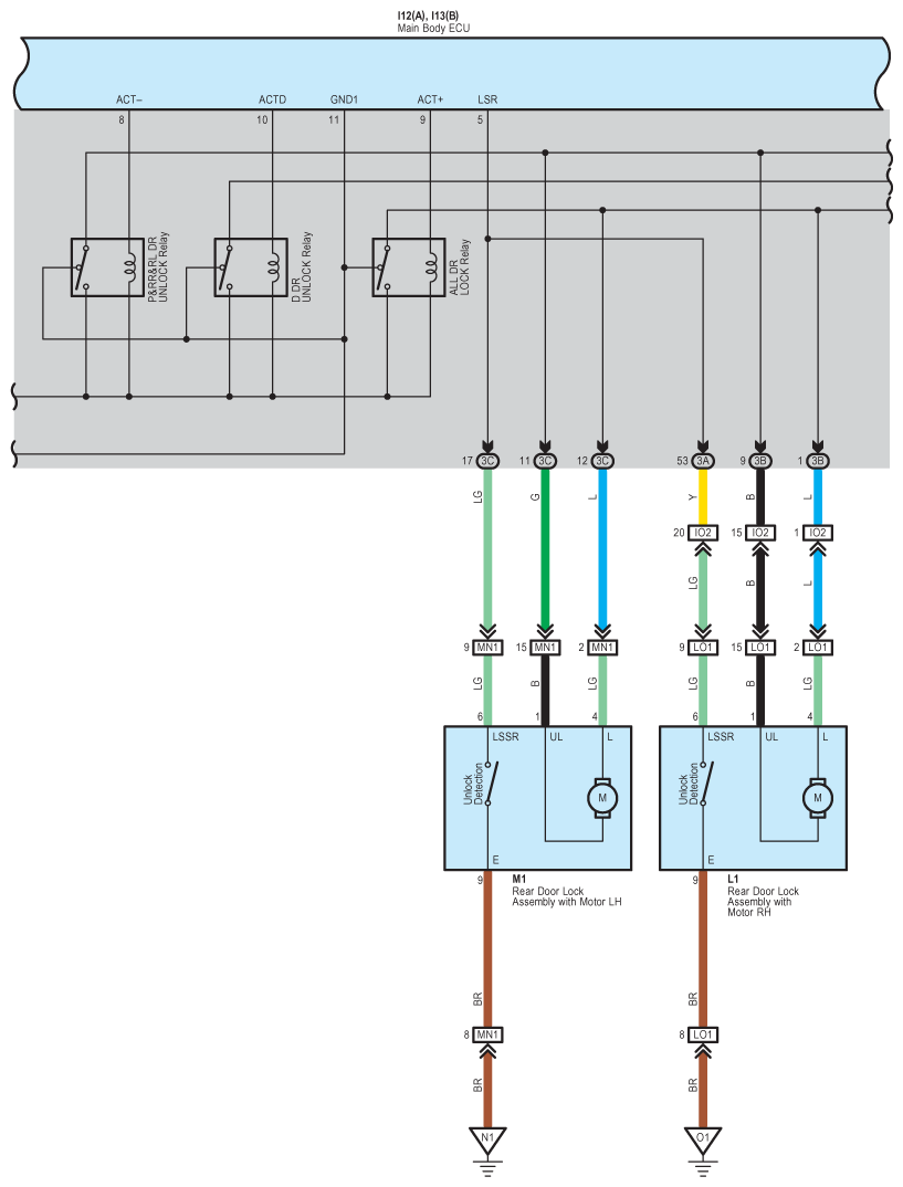
Fig 3: Engine Immobilizer, Starter, Starting, Steering Lock And Wireless Door Lock (w/Smart Key) System Wiring Diagram (3 Of 20)
G09105020Courtesy of © TOYOTA, LICENSE AGREEMENT TMS1002
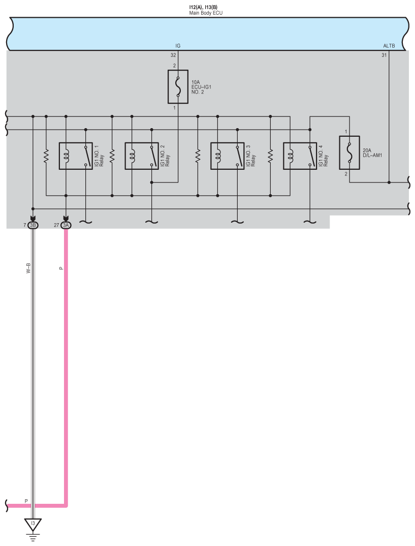
Fig 4: Engine Immobilizer, Starter, Starting, Steering Lock And Wireless Door Lock (w/Smart Key) System Wiring Diagram (4 Of 20)
G09105021Courtesy of © TOYOTA, LICENSE AGREEMENT TMS1002
Fig 5: Engine Immobilizer, Starter, Starting, Steering Lock And Wireless Door Lock (w/Smart Key) System Wiring Diagram (5 Of 20)
G09105022Courtesy of © TOYOTA, LICENSE AGREEMENT TMS1002
Fig 6: Engine Immobilizer, Starter, Starting, Steering Lock And Wireless Door Lock (w/Smart Key) System Wiring Diagram (6 Of 20)
G09105023Courtesy of © TOYOTA, LICENSE AGREEMENT TMS1002
Fig 7: Engine Immobilizer, Starter, Starting, Steering Lock And Wireless Door Lock (w/Smart Key) System Wiring Diagram (7 Of 20)
G09105024Courtesy of © TOYOTA, LICENSE AGREEMENT TMS1002
Fig 8: Engine Immobilizer, Starter, Starting, Steering Lock And Wireless Door Lock (w/Smart Key) System Wiring Diagram (8 Of 20)
G09105025Courtesy of © TOYOTA, LICENSE AGREEMENT TMS1002
Fig 9: Engine Immobilizer, Starter, Starting, Steering Lock And Wireless Door Lock (w/Smart Key) System Wiring Diagram (9 Of 20)
G09105026Courtesy of © TOYOTA, LICENSE AGREEMENT TMS1002
Fig 10: Engine Immobilizer, Starter, Starting, Steering Lock And Wireless Door Lock (w/Smart Key) System Wiring Diagram (10 Of 20)
G09105027Courtesy of © TOYOTA, LICENSE AGREEMENT TMS1002
Fig 11: Engine Immobilizer, Starter, Starting, Steering Lock And Wireless Door Lock (w/Smart Key) System Wiring Diagram (11 Of 20)
G09105028Courtesy of © TOYOTA, LICENSE AGREEMENT TMS1002
Fig 12: Engine Immobilizer, Starter, Starting, Steering Lock And Wireless Door Lock (w/Smart Key) System Wiring Diagram (12 Of 20)
G09105029Courtesy of © TOYOTA, LICENSE AGREEMENT TMS1002
Fig 13: Engine Immobilizer, Starter, Starting, Steering Lock And Wireless Door Lock (w/Smart Key) System Wiring Diagram (13 Of 20)
G09105030Courtesy of © TOYOTA, LICENSE AGREEMENT TMS1002
Fig 14: Engine Immobilizer, Starter, Starting, Steering Lock And Wireless Door Lock (w/Smart Key) System Wiring Diagram (14 Of 20)
G09105031Courtesy of © TOYOTA, LICENSE AGREEMENT TMS1002
Fig 15: Engine Immobilizer, Starter, Starting, Steering Lock And Wireless Door Lock (w/Smart Key) System Wiring Diagram (15 Of 20)
G09105032Courtesy of © TOYOTA, LICENSE AGREEMENT TMS1002
Fig 16: Engine Immobilizer, Starter, Starting, Steering Lock And Wireless Door Lock (w/Smart Key) System Wiring Diagram (16 Of 20)
G09105033Courtesy of © TOYOTA, LICENSE AGREEMENT TMS1002
Fig 17: Engine Immobilizer, Starter, Starting, Steering Lock And Wireless Door Lock (w/Smart Key) System Wiring Diagram (17 Of 20)
G09105034Courtesy of © TOYOTA, LICENSE AGREEMENT TMS1002
Fig 18: Engine Immobilizer, Starter, Starting, Steering Lock And Wireless Door Lock (w/Smart Key) System Wiring Diagram (18 Of 20)
G09105035Courtesy of © TOYOTA, LICENSE AGREEMENT TMS1002
Fig 19: Engine Immobilizer, Starter, Starting, Steering Lock And Wireless Door Lock (w/Smart Key) System Wiring Diagram (19 Of 20)
G09105036Courtesy of © TOYOTA, LICENSE AGREEMENT TMS1002
Fig 20: Engine Immobilizer, Starter, Starting, Steering Lock And Wireless Door Lock (w/Smart Key) System Wiring Diagram (20 Of 20)
G09105037Courtesy of © TOYOTA, LICENSE AGREEMENT TMS1002