LEMON Manuals: Even more car manuals for everyone: 1960-2025
Home >> Toyota >> 2013 >> Corolla Base, Automatic Trans >> Repair and Diagnosis (Single Page) >> Electrical >> Body Electrical >> OEM System Circuits >> Audio System and Navigation System (Except TMC Made) >> Notes
April 5, 2026: LEMON Manuals is launched! Read the announcement.

Audio System and Navigation System (Except TMC Made): Notes

Fig 1: Audio And Navigation System Wiring Diagram (Except TMC Made; 1 Of 6)
G09106700Courtesy of © TOYOTA, LICENSE AGREEMENT TMS1002
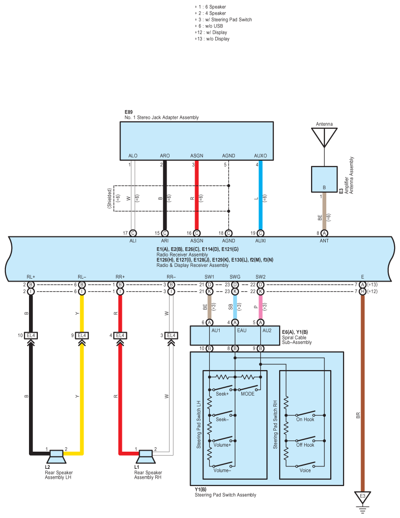
Fig 2: Audio And Navigation System Wiring Diagram (Except TMC Made; 2 Of 6)
G09106701Courtesy of © TOYOTA, LICENSE AGREEMENT TMS1002
Fig 3: Audio And Navigation System Wiring Diagram (Except TMC Made; 3 Of 6)
G09106702Courtesy of © TOYOTA, LICENSE AGREEMENT TMS1002
Fig 4: Audio And Navigation System Wiring Diagram (Except TMC Made; 4 Of 6)
G09106703Courtesy of © TOYOTA, LICENSE AGREEMENT TMS1002
Fig 5: Audio And Navigation System Wiring Diagram (Except TMC Made; 5 Of 6)
G09106704Courtesy of © TOYOTA, LICENSE AGREEMENT TMS1002
Fig 6: Audio And Navigation System Wiring Diagram (Except TMC Made; 6 Of 6)
G09106705Courtesy of © TOYOTA, LICENSE AGREEMENT TMS1002