LEMON Manuals: Even more car manuals for everyone: 1960-2025
Home >> Toyota >> 2013 >> Corolla Base, Automatic Trans >> Repair and Diagnosis >> Electrical >> Body Electrical >> OEM System Circuits >> Combination Meter (Except TMC Made) >> Notes
April 5, 2026: LEMON Manuals is launched! Read the announcement.

Combination Meter (Except TMC Made): Notes

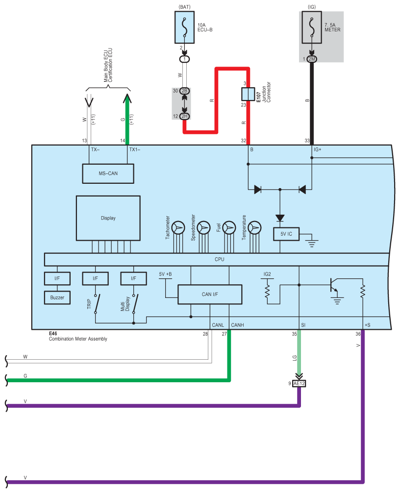
Fig 1: Combination Meter System Wiring Diagram (Except TMC Made; 1 Of 6)
G09106706Courtesy of © TOYOTA, LICENSE AGREEMENT TMS1002
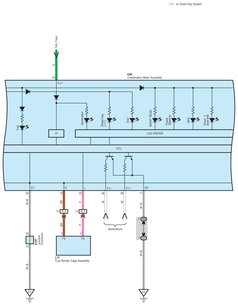
Fig 2: Combination Meter System Wiring Diagram (Except TMC Made; 2 Of 6)
G09106707Courtesy of © TOYOTA, LICENSE AGREEMENT TMS1002
Fig 3: Combination Meter System Wiring Diagram (Except TMC Made; 3 Of 6)
G09106708Courtesy of © TOYOTA, LICENSE AGREEMENT TMS1002
Fig 4: Combination Meter System Wiring Diagram (Except TMC Made; 4 Of 6)
G09106709Courtesy of © TOYOTA, LICENSE AGREEMENT TMS1002
Fig 5: Combination Meter System Wiring Diagram (Except TMC Made; 5 Of 6)
G09106710Courtesy of © TOYOTA, LICENSE AGREEMENT TMS1002
Fig 6: Combination Meter System Wiring Diagram (Except TMC Made; 6 Of 6)
G09106711Courtesy of © TOYOTA, LICENSE AGREEMENT TMS1002