LEMON Manuals: Even more car manuals for everyone: 1960-2025
Home >> Toyota >> 2013 >> Corolla Base, Automatic Trans >> Repair and Diagnosis >> Electrical >> Body Electrical >> OEM System Circuits >> Cruise Control (TMC Made) >> Notes
April 5, 2026: LEMON Manuals is launched! Read the announcement.

Cruise Control (TMC Made): Notes

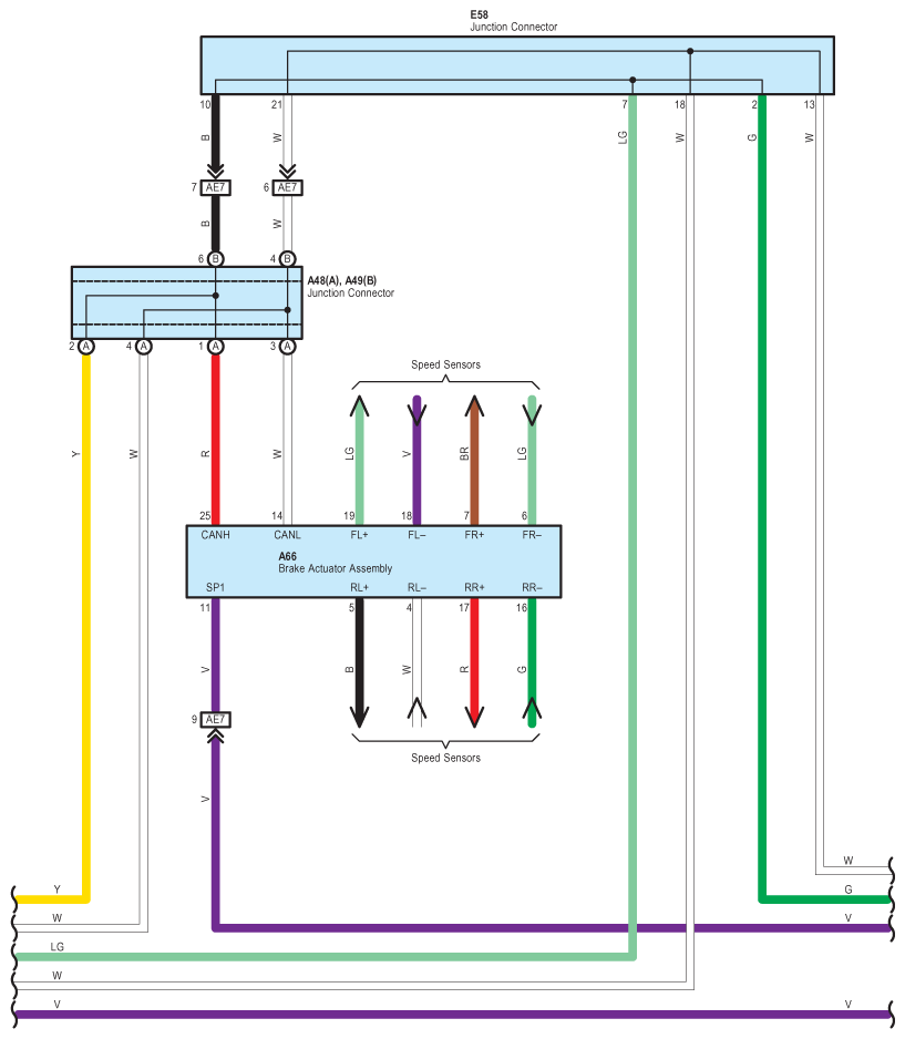
Fig 1: Cruise Control System Wiring Diagram (TMC Made; 1 Of 5)
G09106495Courtesy of © TOYOTA, LICENSE AGREEMENT TMS1002
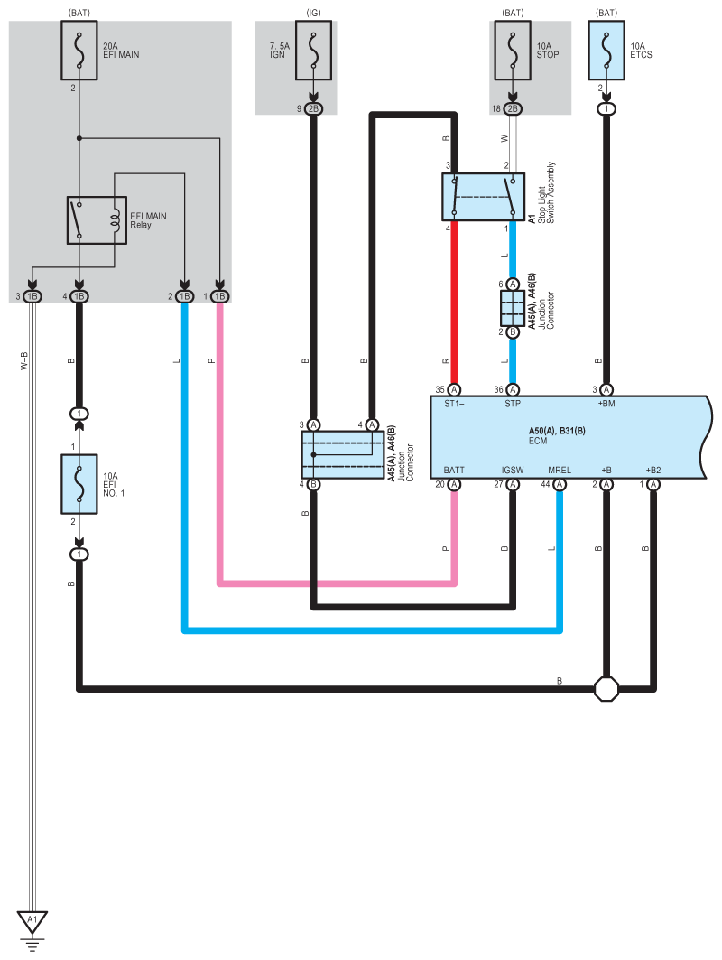
Fig 2: Cruise Control System Wiring Diagram (TMC Made; 2 Of 5)
G09106496Courtesy of © TOYOTA, LICENSE AGREEMENT TMS1002
Fig 3: Cruise Control System Wiring Diagram (TMC Made; 3 Of 5)
G09106497Courtesy of © TOYOTA, LICENSE AGREEMENT TMS1002
Fig 4: Cruise Control System Wiring Diagram (TMC Made; 4 Of 5)
G09106498Courtesy of © TOYOTA, LICENSE AGREEMENT TMS1002
Fig 5: Cruise Control System Wiring Diagram (TMC Made; 5 Of 5)
G09106499Courtesy of © TOYOTA, LICENSE AGREEMENT TMS1002