LEMON Manuals: Even more car manuals for everyone: 1960-2025
Home >> Toyota >> 2013 >> Corolla Base, Automatic Trans >> Repair and Diagnosis >> Electrical >> Body Electrical >> OEM System Circuits >> Door Lock Control (TMC Made) >> Notes
April 5, 2026: LEMON Manuals is launched! Read the announcement.

Door Lock Control (TMC Made): Notes

Fig 1: Door Lock Control System Wiring Diagram (TMC Made; 1 Of 4)
G09106500Courtesy of © TOYOTA, LICENSE AGREEMENT TMS1002
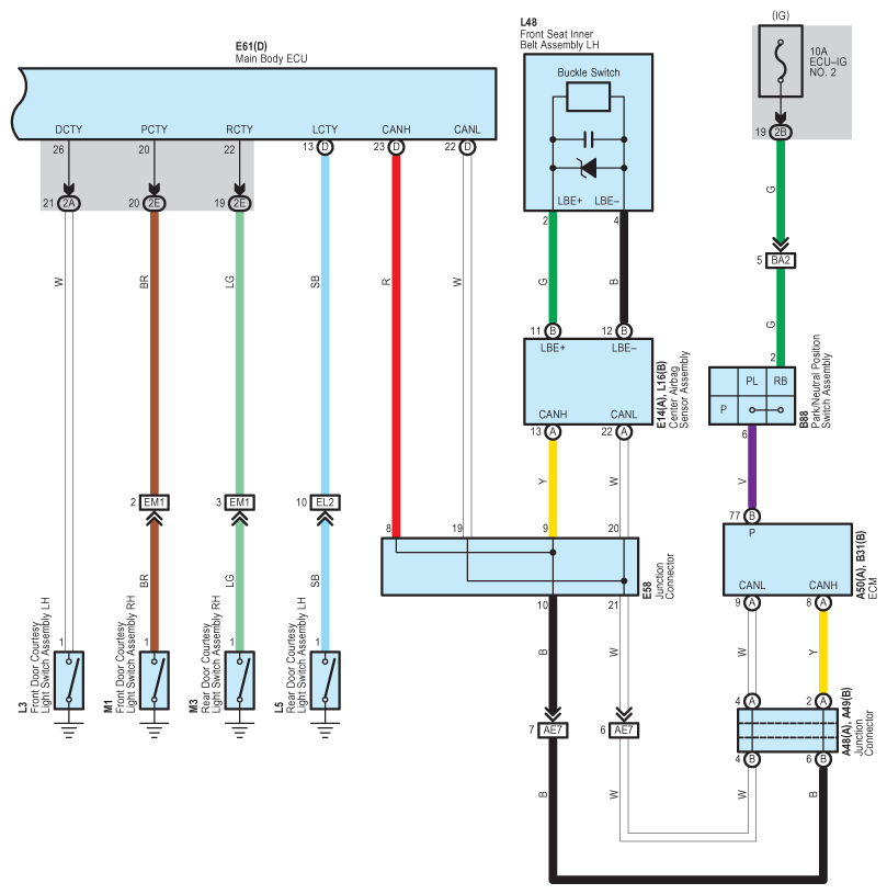
Fig 2: Door Lock Control System Wiring Diagram (TMC Made; 2 Of 4)
G09106501Courtesy of © TOYOTA, LICENSE AGREEMENT TMS1002
Fig 3: Door Lock Control System Wiring Diagram (TMC Made; 3 Of 4)
G09106502Courtesy of © TOYOTA, LICENSE AGREEMENT TMS1002
Fig 4: Door Lock Control System Wiring Diagram (TMC Made; 4 Of 4)
G09106503Courtesy of © TOYOTA, LICENSE AGREEMENT TMS1002