LEMON Manuals: Even more car manuals for everyone: 1960-2025
Home >> Toyota >> 2013 >> Corolla Base, Automatic Trans >> Repair and Diagnosis >> Electrical >> Body Electrical >> OEM System Circuits >> EPS (TMC Made) >> Notes
April 5, 2026: LEMON Manuals is launched! Read the announcement.

EPS (TMC Made): Notes

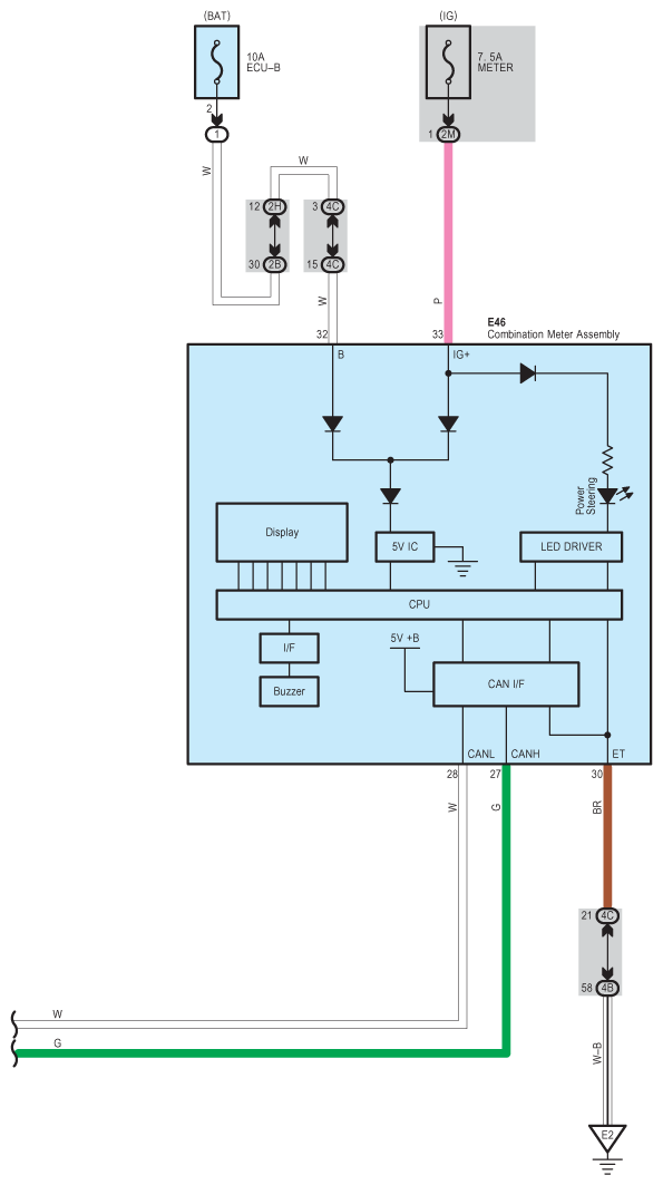
Fig 1: EPS System Wiring Diagram (TMC Made; 1 Of 4)
G09106511Courtesy of © TOYOTA, LICENSE AGREEMENT TMS1002
Fig 2: EPS System Wiring Diagram (TMC Made; 2 Of 4)
G09106512Courtesy of © TOYOTA, LICENSE AGREEMENT TMS1002
Fig 3: EPS System Wiring Diagram (TMC Made; 3 Of 4)
G09106513Courtesy of © TOYOTA, LICENSE AGREEMENT TMS1002
Fig 4: EPS System Wiring Diagram (TMC Made; 4 Of 4)
G09106514Courtesy of © TOYOTA, LICENSE AGREEMENT TMS1002