LEMON Manuals: Even more car manuals for everyone: 1960-2025
Home >> Toyota >> 2013 >> Corolla Base, Automatic Trans >> Repair and Diagnosis >> Electrical >> Body Electrical >> OEM System Circuits >> Power Source (TMC Made) >> Notes
April 5, 2026: LEMON Manuals is launched! Read the announcement.

Power Source (TMC Made): Notes

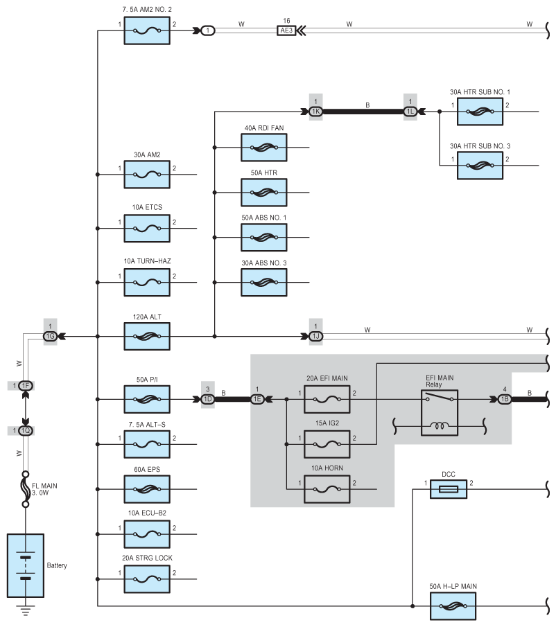
Fig 1: Power Source System Wiring Diagram (TMC Made; 1 Of 4)
G09106422Courtesy of © TOYOTA, LICENSE AGREEMENT TMS1002
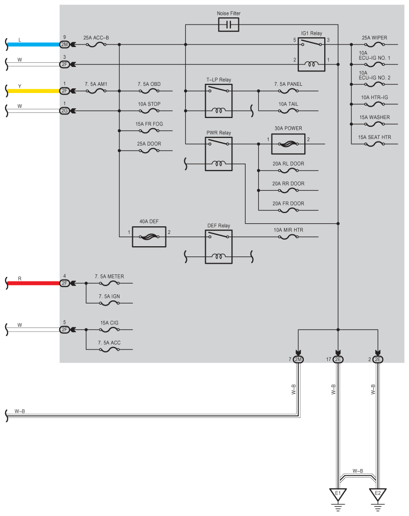
Fig 2: Power Source System Wiring Diagram (TMC Made; 2 Of 4)
G09106423Courtesy of © TOYOTA, LICENSE AGREEMENT TMS1002
Fig 3: Power Source System Wiring Diagram (TMC Made; 3 Of 4)
G09106424Courtesy of © TOYOTA, LICENSE AGREEMENT TMS1002
Fig 4: Power Source System Wiring Diagram (TMC Made; 4 Of 4)
G09106425Courtesy of © TOYOTA, LICENSE AGREEMENT TMS1002