LEMON Manuals: Even more car manuals for everyone: 1960-2025
Home >> Toyota >> 2013 >> Corolla Base, Automatic Trans >> Repair and Diagnosis >> Electrical >> Body Electrical >> OEM System Circuits >> Power Window (Except TMC Made) >> Notes
April 5, 2026: LEMON Manuals is launched! Read the announcement.

Power Window (Except TMC Made): Notes

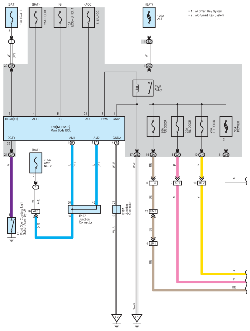
Fig 1: Power Window System Wiring Diagram (Except TMC Made; 1 Of 3)
G09106680Courtesy of © TOYOTA, LICENSE AGREEMENT TMS1002
Fig 2: Power Window System Wiring Diagram (Except TMC Made; 2 Of 3)
G09106681Courtesy of © TOYOTA, LICENSE AGREEMENT TMS1002
Fig 3: Power Window System Wiring Diagram (Except TMC Made; 3 Of 3)
G09106682Courtesy of © TOYOTA, LICENSE AGREEMENT TMS1002