LEMON Manuals: Even more car manuals for everyone: 1960-2025
Home >> Toyota >> 2013 >> Corolla Base, Automatic Trans >> Repair and Diagnosis >> Electrical >> Body Electrical >> OEM System Circuits >> Power Window (TMC Made) >> Notes
April 5, 2026: LEMON Manuals is launched! Read the announcement.

Power Window (TMC Made): Notes

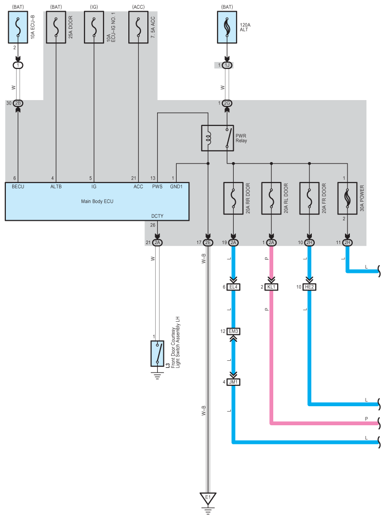
Fig 1: Power Window System Wiring Diagram (TMC Made; 1 Of 3)
G09106508Courtesy of © TOYOTA, LICENSE AGREEMENT TMS1002
Fig 2: Power Window System Wiring Diagram (TMC Made; 2 Of 3)
G09106509Courtesy of © TOYOTA, LICENSE AGREEMENT TMS1002
Fig 3: Power Window System Wiring Diagram (TMC Made; 3 Of 3)
G09106510Courtesy of © TOYOTA, LICENSE AGREEMENT TMS1002