LEMON Manuals: Even more car manuals for everyone: 1960-2025
Home >> Toyota >> 2013 >> FJ Cruiser 4WD, Part Time T/Case Control >> Repair and Diagnosis (Single Page) >> Electrical >> Body Electrical >> OEM System Circuits >> Cruise Control >> Notes
April 5, 2026: LEMON Manuals is launched! Read the announcement.

Cruise Control: Notes

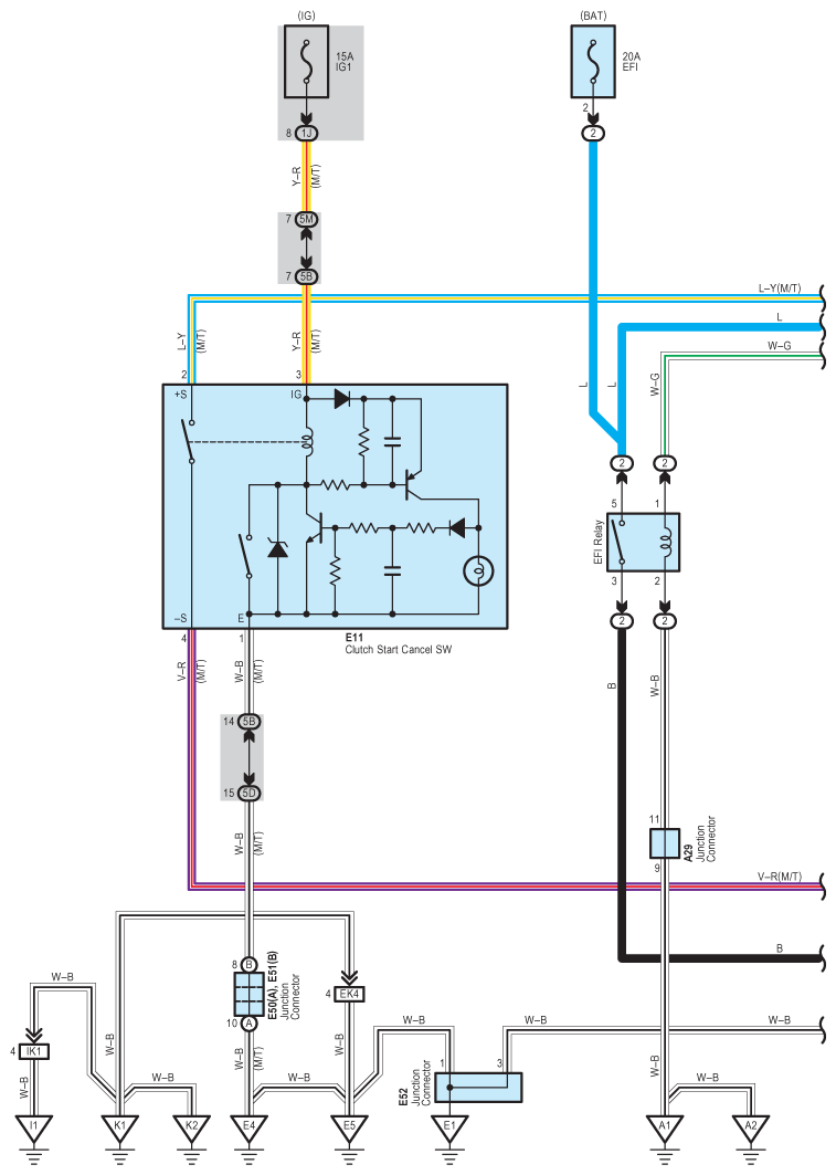
Fig 1: Cruise Control Wiring Diagram (1 Of 6)
G09097058Courtesy of © TOYOTA, LICENSE AGREEMENT TMS1002
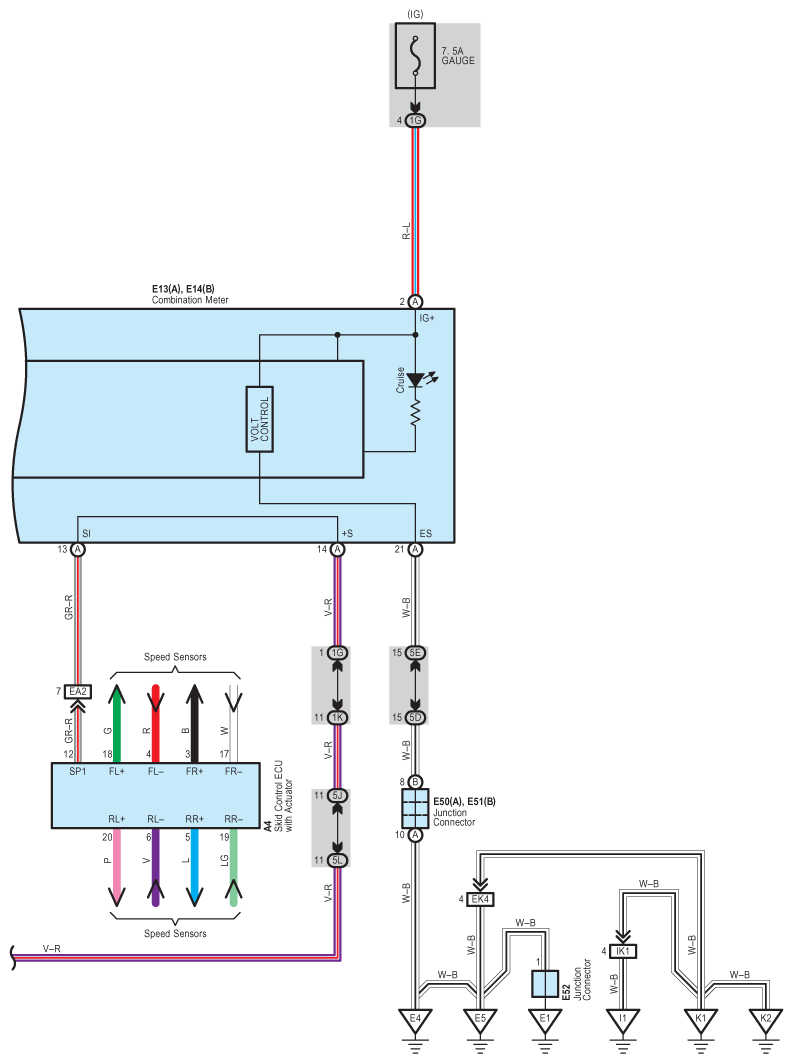
Fig 2: Cruise Control Wiring Diagram (2 Of 6)
G09097059Courtesy of © TOYOTA, LICENSE AGREEMENT TMS1002
Fig 3: Cruise Control Wiring Diagram (3 Of 6)
G09097060Courtesy of © TOYOTA, LICENSE AGREEMENT TMS1002
Fig 4: Cruise Control Wiring Diagram (4 Of 6)
G09097061Courtesy of © TOYOTA, LICENSE AGREEMENT TMS1002
Fig 5: Cruise Control Wiring Diagram (5 Of 6)
G09097062Courtesy of © TOYOTA, LICENSE AGREEMENT TMS1002
Fig 6: Cruise Control Wiring Diagram (6 Of 6)
G09097063Courtesy of © TOYOTA, LICENSE AGREEMENT TMS1002