LEMON Manuals: Even more car manuals for everyone: 1960-2025
Home >> Toyota >> 2013 >> FJ Cruiser 4WD, Part Time T/Case Control >> Repair and Diagnosis >> Electrical >> Body Electrical >> OEM System Circuits >> Accessory Meter >> Notes
April 5, 2026: LEMON Manuals is launched! Read the announcement.

Accessory Meter: Notes

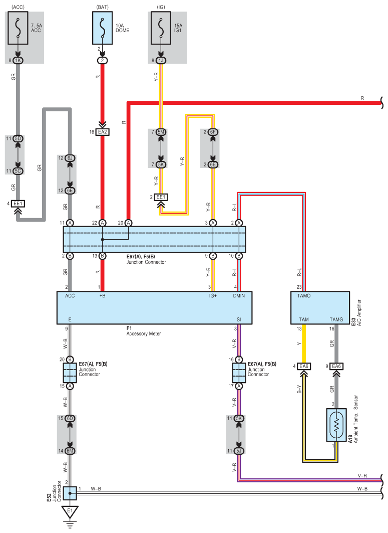
Fig 1: Accessory Meter Wiring Diagram (1 Of 2)
G09097095Courtesy of © TOYOTA, LICENSE AGREEMENT TMS1002
Fig 2: Accessory Meter Wiring Diagram (2 Of 2)
G09097096Courtesy of © TOYOTA, LICENSE AGREEMENT TMS1002