LEMON Manuals: Even more car manuals for everyone: 1960-2025
Home >> Toyota >> 2013 >> FJ Cruiser 4WD, Part Time T/Case Control >> Repair and Diagnosis >> Electrical >> Body Electrical >> OEM System Circuits >> Combination Meter >> Notes
April 5, 2026: LEMON Manuals is launched! Read the announcement.

Combination Meter: Notes

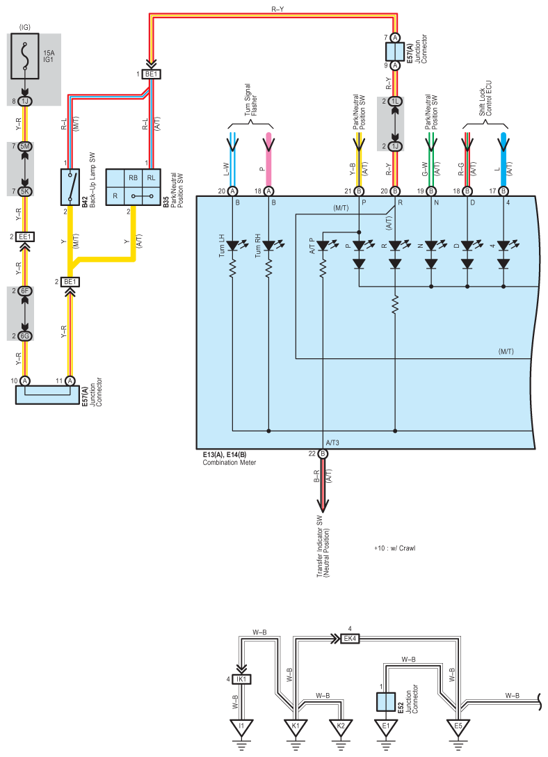
Fig 1: Combination Meter Wiring Diagram (1 Of 7)
G09097111Courtesy of © TOYOTA, LICENSE AGREEMENT TMS1002
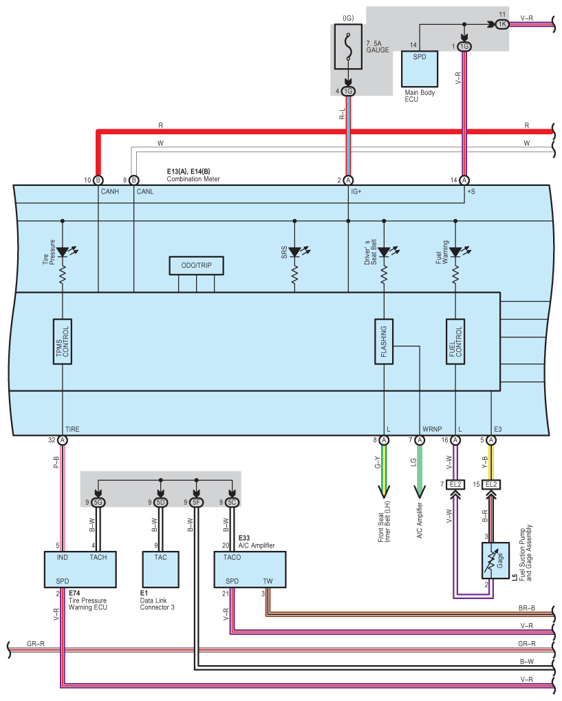
Fig 2: Combination Meter Wiring Diagram (2 Of 7)
G09097112Courtesy of © TOYOTA, LICENSE AGREEMENT TMS1002
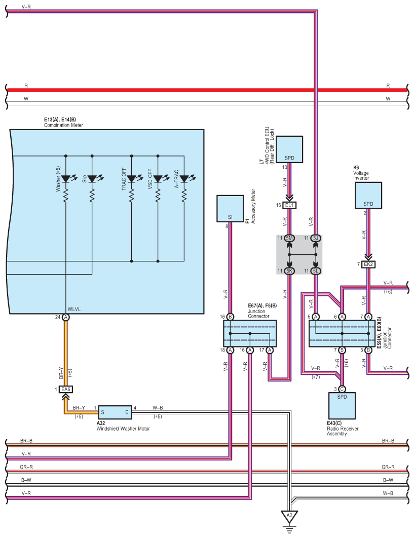
Fig 3: Combination Meter Wiring Diagram (3 Of 7)
G09097113Courtesy of © TOYOTA, LICENSE AGREEMENT TMS1002
Fig 4: Combination Meter Wiring Diagram (4 Of 7)
G09097114Courtesy of © TOYOTA, LICENSE AGREEMENT TMS1002
Fig 5: Combination Meter Wiring Diagram (5 Of 7)
G09097115Courtesy of © TOYOTA, LICENSE AGREEMENT TMS1002
Fig 6: Combination Meter Wiring Diagram (6 Of 7)
G09097116Courtesy of © TOYOTA, LICENSE AGREEMENT TMS1002
Fig 7: Combination Meter Wiring Diagram (7 Of 7)
G09097117Courtesy of © TOYOTA, LICENSE AGREEMENT TMS1002