LEMON Manuals: Even more car manuals for everyone: 1960-2025
Home >> Toyota >> 2013 >> FJ Cruiser 4WD, Part Time T/Case Control >> Repair and Diagnosis >> Electrical >> Body Electrical >> OEM System Circuits >> Electronically Controlled Transmission and A/T Indicator >> Notes
April 5, 2026: LEMON Manuals is launched! Read the announcement.

Electronically Controlled Transmission and A/T Indicator: Notes

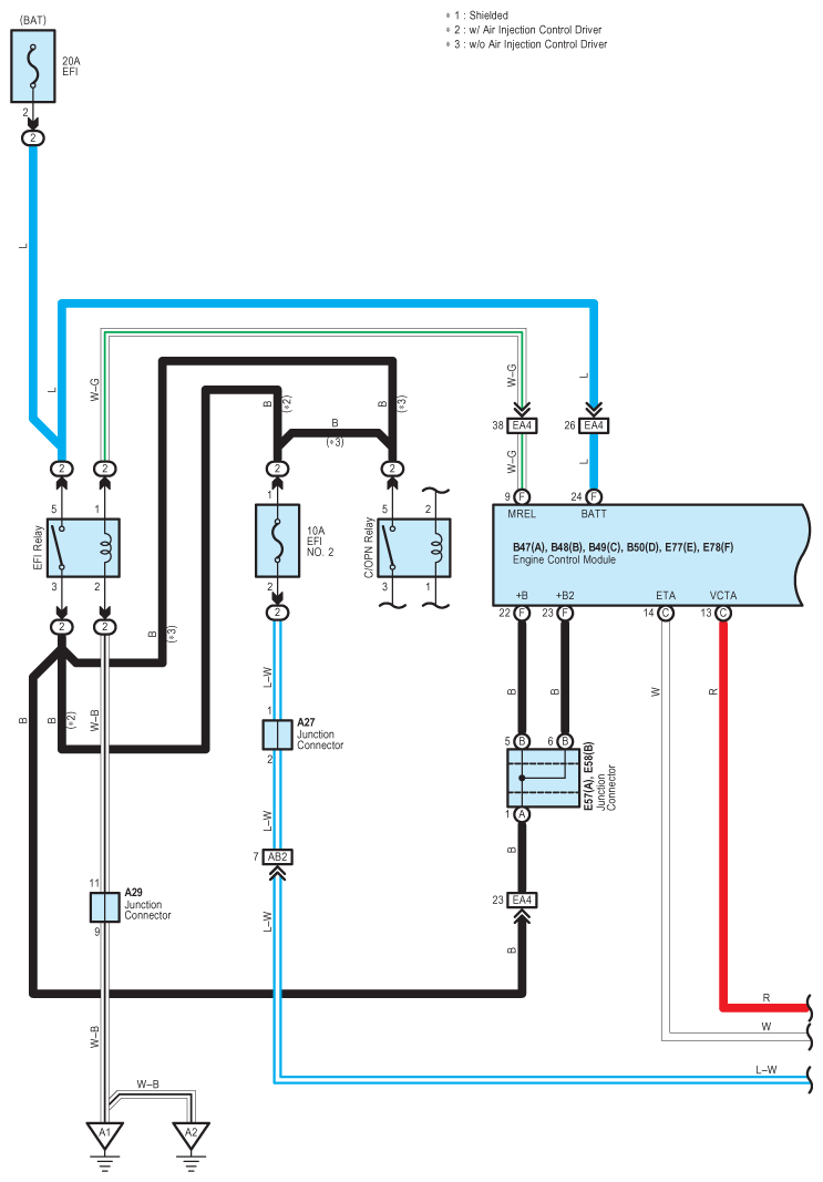
Fig 1: Electronically Controlled Transmission And A/T Indicator Wiring Diagram (1 Of 10)
G09097048Courtesy of © TOYOTA, LICENSE AGREEMENT TMS1002
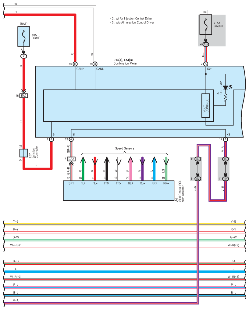
Fig 2: Electronically Controlled Transmission And A/T Indicator Wiring Diagram (2 Of 10)
G09097049Courtesy of © TOYOTA, LICENSE AGREEMENT TMS1002
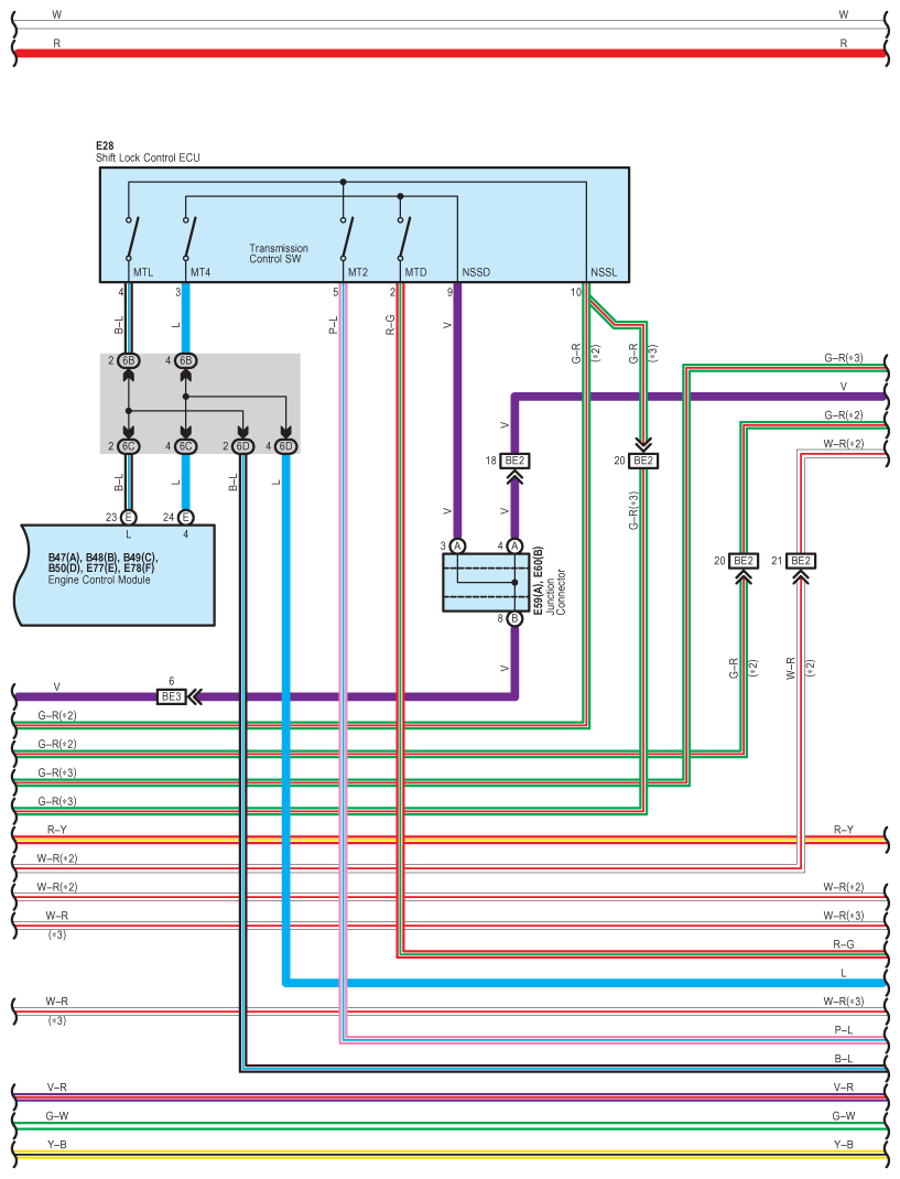
Fig 3: Electronically Controlled Transmission And A/T Indicator Wiring Diagram (3 Of 10)
G09097050Courtesy of © TOYOTA, LICENSE AGREEMENT TMS1002
Fig 4: Electronically Controlled Transmission And A/T Indicator Wiring Diagram (4 Of 10)
G09097051Courtesy of © TOYOTA, LICENSE AGREEMENT TMS1002
Fig 5: Electronically Controlled Transmission And A/T Indicator Wiring Diagram (5 Of 10)
G09097052Courtesy of © TOYOTA, LICENSE AGREEMENT TMS1002
Fig 6: Electronically Controlled Transmission And A/T Indicator Wiring Diagram (6 Of 10)
G09097053Courtesy of © TOYOTA, LICENSE AGREEMENT TMS1002
Fig 7: Electronically Controlled Transmission And A/T Indicator Wiring Diagram (7 Of 10)
G09097054Courtesy of © TOYOTA, LICENSE AGREEMENT TMS1002
Fig 8: Electronically Controlled Transmission And A/T Indicator Wiring Diagram (8 Of 10)
G09097055Courtesy of © TOYOTA, LICENSE AGREEMENT TMS1002
Fig 9: Electronically Controlled Transmission And A/T Indicator Wiring Diagram (9 Of 10)
G09097056Courtesy of © TOYOTA, LICENSE AGREEMENT TMS1002
Fig 10: Electronically Controlled Transmission And A/T Indicator Wiring Diagram (10 Of 10)
G09097057Courtesy of © TOYOTA, LICENSE AGREEMENT TMS1002