LEMON Manuals: Even more car manuals for everyone: 1960-2025
Home >> Toyota >> 2013 >> FJ Cruiser 4WD, Part Time T/Case Control >> Repair and Diagnosis >> Electrical >> Body Electrical >> OEM System Circuits >> Interior Light >> Notes
April 5, 2026: LEMON Manuals is launched! Read the announcement.

Interior Light: Notes

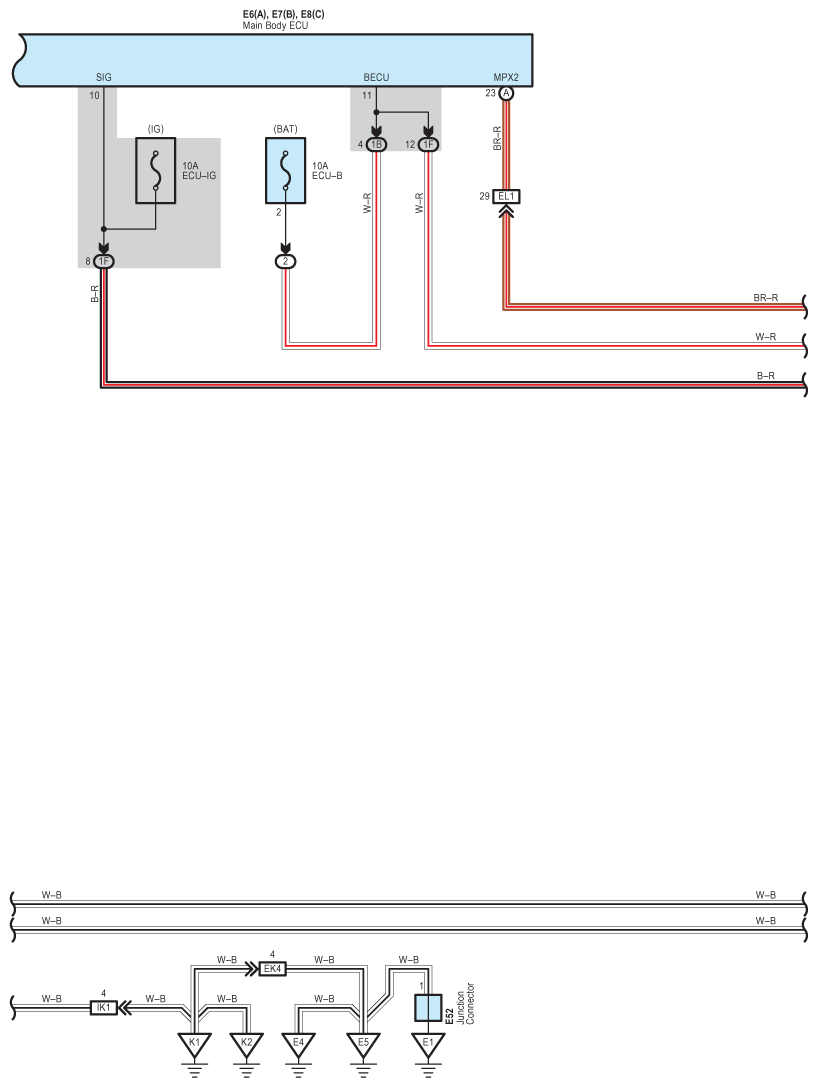
Fig 1: Interior Light Wiring Diagram (1 Of 7)
G09097009Courtesy of © TOYOTA, LICENSE AGREEMENT TMS1002
Fig 2: Interior Light Wiring Diagram (2 Of 7)
G09097010Courtesy of © TOYOTA, LICENSE AGREEMENT TMS1002
Fig 3: Interior Light Wiring Diagram (3 Of 7)
G09097011Courtesy of © TOYOTA, LICENSE AGREEMENT TMS1002
Fig 4: Interior Light Wiring Diagram (4 Of 7)
G09097012Courtesy of © TOYOTA, LICENSE AGREEMENT TMS1002
Fig 5: Interior Light Wiring Diagram (5 Of 7)
G09097013Courtesy of © TOYOTA, LICENSE AGREEMENT TMS1002
Fig 6: Interior Light Wiring Diagram (6 Of 7)
G09097014Courtesy of © TOYOTA, LICENSE AGREEMENT TMS1002
Fig 7: Interior Light Wiring Diagram (7 Of 7)
G09097015Courtesy of © TOYOTA, LICENSE AGREEMENT TMS1002