LEMON Manuals: Even more car manuals for everyone: 1960-2025
Home >> Toyota >> 2013 >> FJ Cruiser 4WD, Part Time T/Case Control >> Repair and Diagnosis >> Electrical >> Body Electrical >> OEM System Circuits >> Stop Light >> Notes
April 5, 2026: LEMON Manuals is launched! Read the announcement.

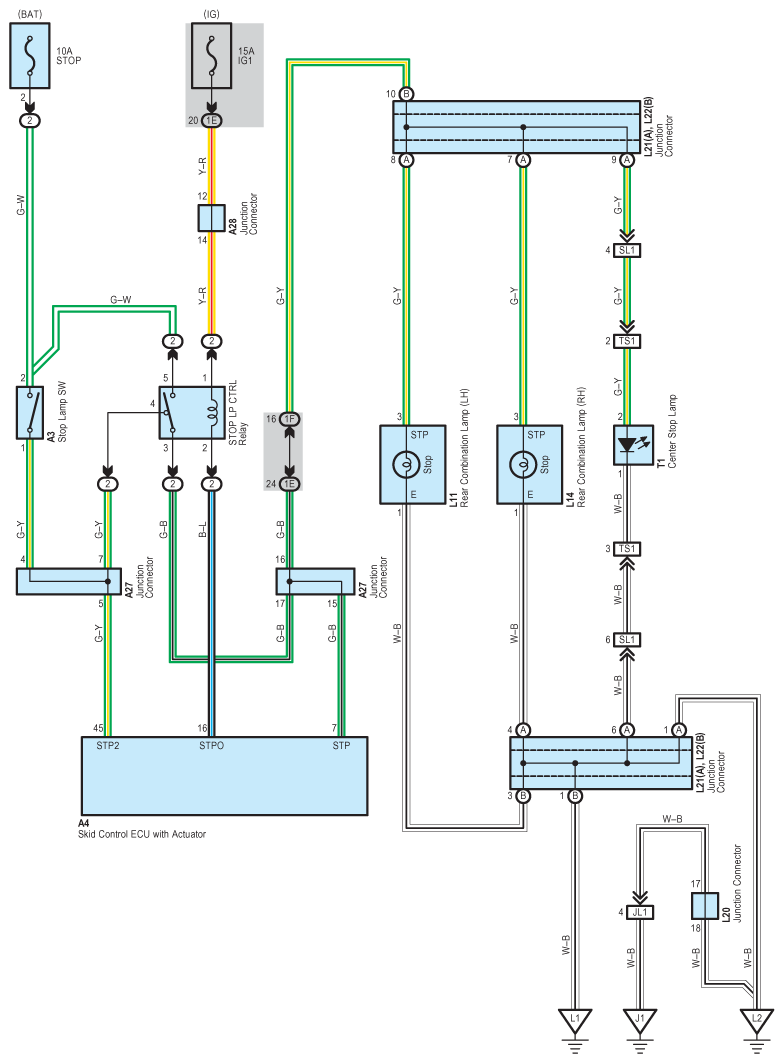
Stop Light: Notes

Fig 1: Stop Light Wiring Diagram
G09097022Courtesy of © TOYOTA, LICENSE AGREEMENT TMS1002