LEMON Manuals: Even more car manuals for everyone: 1960-2025
Home >> Toyota >> 2013 >> FJ Cruiser 4WD, Part Time T/Case Control >> Repair and Diagnosis >> Engine Performance >> System >> Engine Control System (Diagnostic Codes (P0010 - P0300)) >> SFI System >> DTC P0115: Engine Coolant Temperature Circuit; DTC P0117: Engine Coolant Temperature Circuit Low Input; DTC P0118: Engine Coolant Temperature Circuit High Input >> Wiring Diagram
April 5, 2026: LEMON Manuals is launched! Read the announcement.

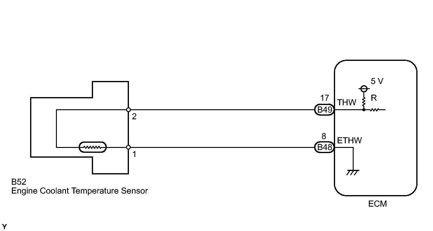
DTC P0115: Engine Coolant Temperature Circuit; DTC P0117: Engine Coolant Temperature Circuit Low Input; DTC P0118: Engine Coolant Temperature Circuit High Input: Wiring Diagram

Fig 1: Engine Coolant Temperature Sensor - Wiring Diagram
GTY308556Courtesy of © TOYOTA, LICENSE AGREEMENT TMS1002