LEMON Manuals: Even more car manuals for everyone: 1960-2025
Home >> Toyota >> 2013 >> Land Cruiser >> Repair and Diagnosis (Single Page) >> Electrical >> Starter >> Smart Key System (For Start Function) (Diagnostic Codes & Symptom Tests) >> SMART KEY SYSTEM (for Start Function) >> Symptom Tests >> Power Source Mode does not Change >> Wiring Diagram
April 5, 2026: LEMON Manuals is launched! Read the announcement.

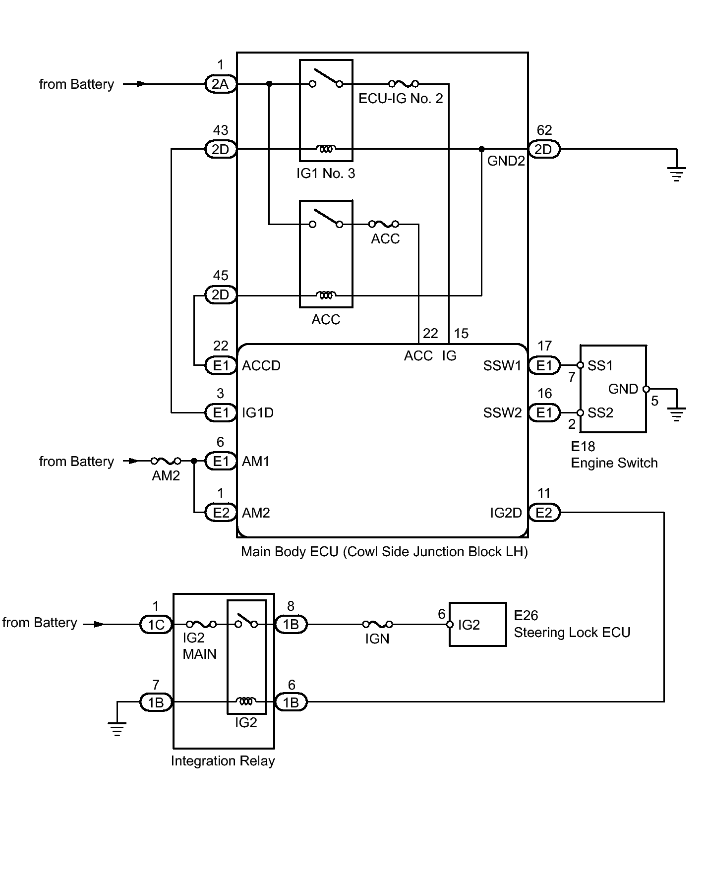
Power Source Mode does not Change: Wiring Diagram

Fig 1: Power Source Mode Does Not Change - Wiring Diagram
GTY233448Courtesy of © TOYOTA, LICENSE AGREEMENT TMS1002