LEMON Manuals: Even more car manuals for everyone: 1960-2025
Home >> Toyota >> 2013 >> Matrix Base, Automatic Trans >> Repair and Diagnosis (Single Page) >> Accessories & Equipment >> Cruise Control Systems >> Cruise Control System (Diagnostic Codes & Circuit Tests) >> Cruise Control System >> Circuit Tests >> Cruise Control Switch Circuit >> Wiring Diagram
April 5, 2026: LEMON Manuals is launched! Read the announcement.

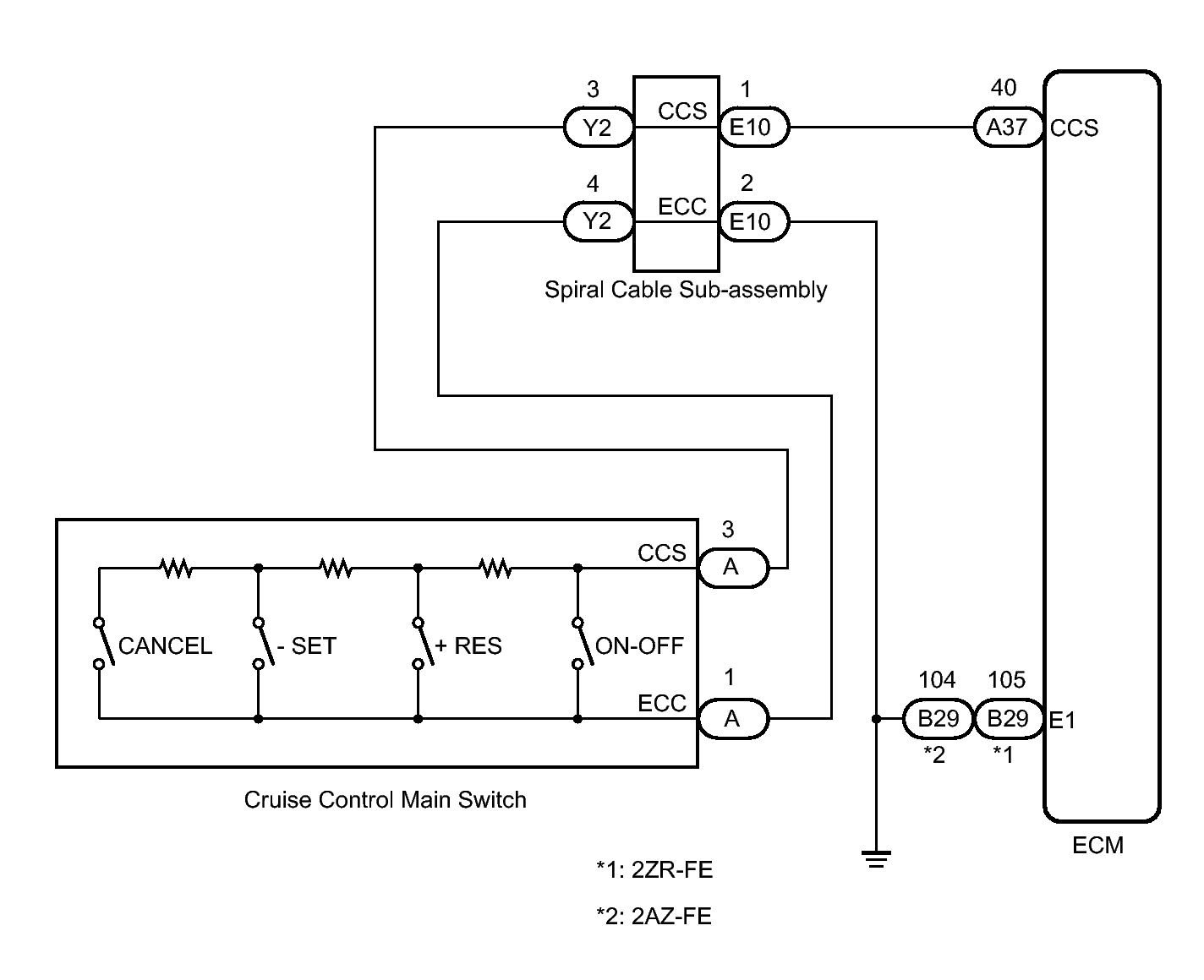
Cruise Control Switch Circuit: Wiring Diagram

Fig 1: Cruise Control Switch Circuit - Wiring Diagram
GTY293753Courtesy of © TOYOTA, LICENSE AGREEMENT TMS1002