LEMON Manuals: Even more car manuals for everyone: 1960-2025
Home >> Toyota >> 2013 >> Matrix Base, Automatic Trans >> Repair and Diagnosis (Single Page) >> Electrical >> Body Electrical >> OEM System Circuits >> Cruise Control (2AZ-FE) >> Notes
April 5, 2026: LEMON Manuals is launched! Read the announcement.

Cruise Control (2AZ-FE): Notes

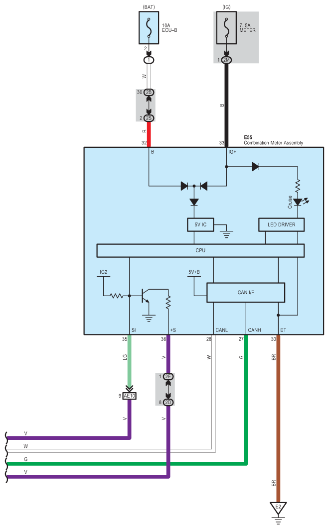
Fig 1: Cruise Control Wiring Diagram (2AZ-FE) (1 Of 7)
G09105909Courtesy of © TOYOTA, LICENSE AGREEMENT TMS1002
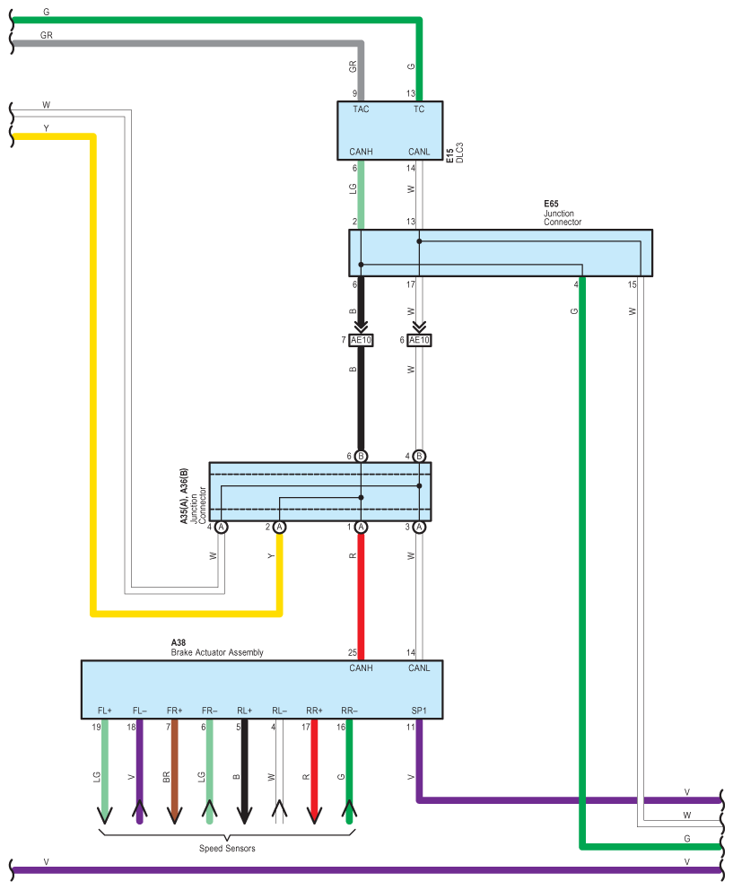
Fig 2: Cruise Control Wiring Diagram (2AZ-FE) (2 Of 7)
G09105910Courtesy of © TOYOTA, LICENSE AGREEMENT TMS1002
Fig 3: Cruise Control Wiring Diagram (2AZ-FE) (3 Of 7)
G09105911Courtesy of © TOYOTA, LICENSE AGREEMENT TMS1002
Fig 4: Cruise Control Wiring Diagram (2AZ-FE) (4 Of 7)
G09105912Courtesy of © TOYOTA, LICENSE AGREEMENT TMS1002
Fig 5: Cruise Control Wiring Diagram (2AZ-FE) (5 Of 7)
G09105913Courtesy of © TOYOTA, LICENSE AGREEMENT TMS1002
Fig 6: Cruise Control Wiring Diagram (2AZ-FE) (6 Of 7)
G09105914Courtesy of © TOYOTA, LICENSE AGREEMENT TMS1002
Fig 7: Cruise Control Wiring Diagram (2AZ-FE) (7 Of 7)
G09105915Courtesy of © TOYOTA, LICENSE AGREEMENT TMS1002