LEMON Manuals: Even more car manuals for everyone: 1960-2025
Home >> Toyota >> 2013 >> Matrix Base, Automatic Trans >> Repair and Diagnosis (Single Page) >> Electrical >> Body Electrical >> OEM System Circuits >> Engine Control (2ZR-FE) >> Notes
April 5, 2026: LEMON Manuals is launched! Read the announcement.

Engine Control (2ZR-FE): Notes

Fig 1: Engine Control Wiring Diagram (2ZR-FE) (1 Of 10)
G09105849Courtesy of © TOYOTA, LICENSE AGREEMENT TMS1002
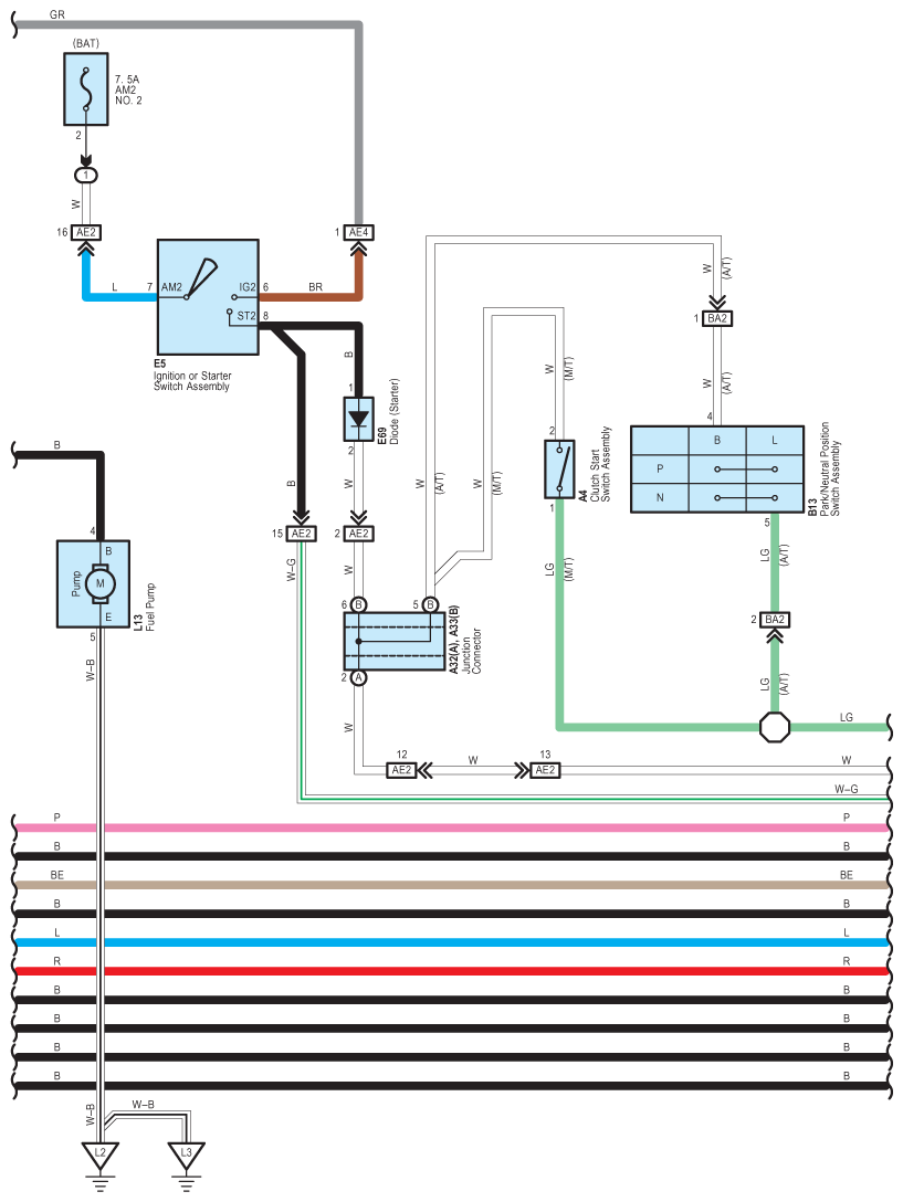
Fig 2: Engine Control Wiring Diagram (2ZR-FE) (2 Of 10)
G09105850Courtesy of © TOYOTA, LICENSE AGREEMENT TMS1002
Fig 3: Engine Control Wiring Diagram (2ZR-FE) (3 Of 10)
G09105851Courtesy of © TOYOTA, LICENSE AGREEMENT TMS1002
Fig 4: Engine Control Wiring Diagram (2ZR-FE) (4 Of 10)
G09105852Courtesy of © TOYOTA, LICENSE AGREEMENT TMS1002
Fig 5: Engine Control Wiring Diagram (2ZR-FE) (5 Of 10)
G09105853Courtesy of © TOYOTA, LICENSE AGREEMENT TMS1002
Fig 6: Engine Control Wiring Diagram (2ZR-FE) (6 Of 10)
G09105854Courtesy of © TOYOTA, LICENSE AGREEMENT TMS1002
Fig 7: Engine Control Wiring Diagram (2ZR-FE) (7 Of 10)
G09105855Courtesy of © TOYOTA, LICENSE AGREEMENT TMS1002
Fig 8: Engine Control Wiring Diagram (2ZR-FE) (8 Of 10)
G09105856Courtesy of © TOYOTA, LICENSE AGREEMENT TMS1002
Fig 9: Engine Control Wiring Diagram (2ZR-FE) (9 Of 10)
G09105857Courtesy of © TOYOTA, LICENSE AGREEMENT TMS1002
Fig 10: Engine Control Wiring Diagram (2ZR-FE) (10 Of 10)
G09105858Courtesy of © TOYOTA, LICENSE AGREEMENT TMS1002