LEMON Manuals: Even more car manuals for everyone: 1960-2025
Home >> Toyota >> 2013 >> Matrix Base, Automatic Trans >> Repair and Diagnosis (Single Page) >> Electrical >> Body Electrical >> OEM System Circuits >> SRS >> Notes
April 5, 2026: LEMON Manuals is launched! Read the announcement.

OEM System Circuits: SRS: Notes

NOTE: When inspecting or repairing the SRS, perform service in accordance with the following precautionary instructions and the procedure.
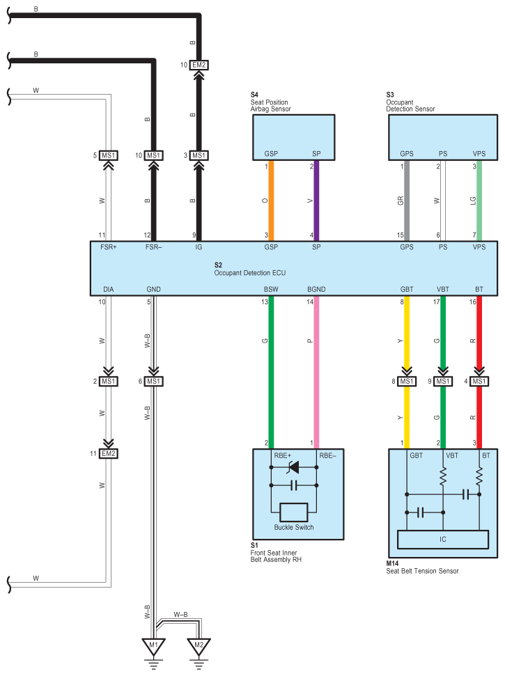
Fig 2: SRS Wiring Diagram (1 Of 5)
G09105929Courtesy of © TOYOTA, LICENSE AGREEMENT TMS1002
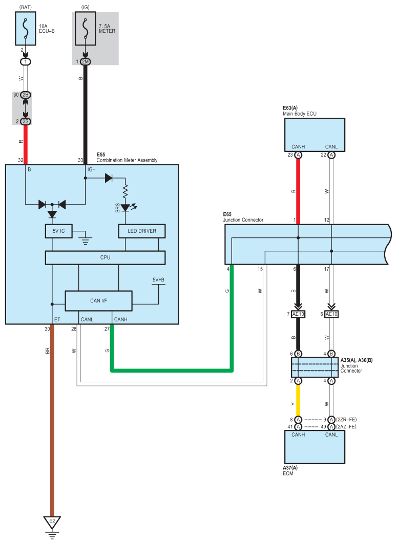
Fig 3: SRS Wiring Diagram (2 Of 5)
G09105930Courtesy of © TOYOTA, LICENSE AGREEMENT TMS1002
Fig 4: SRS Wiring Diagram (3 Of 5)
G09105931Courtesy of © TOYOTA, LICENSE AGREEMENT TMS1002
Fig 5: SRS Wiring Diagram (4 Of 5)
G09105932Courtesy of © TOYOTA, LICENSE AGREEMENT TMS1002
Fig 6: SRS Wiring Diagram (5 Of 5)
G09105933Courtesy of © TOYOTA, LICENSE AGREEMENT TMS1002