LEMON Manuals: Even more car manuals for everyone: 1960-2025
Home >> Toyota >> 2013 >> Matrix Base, Automatic Trans >> Repair and Diagnosis (Single Page) >> Electrical >> Body Electrical >> OEM System Circuits >> Starting >> Notes
April 5, 2026: LEMON Manuals is launched! Read the announcement.

OEM System Circuits: Starting: Notes

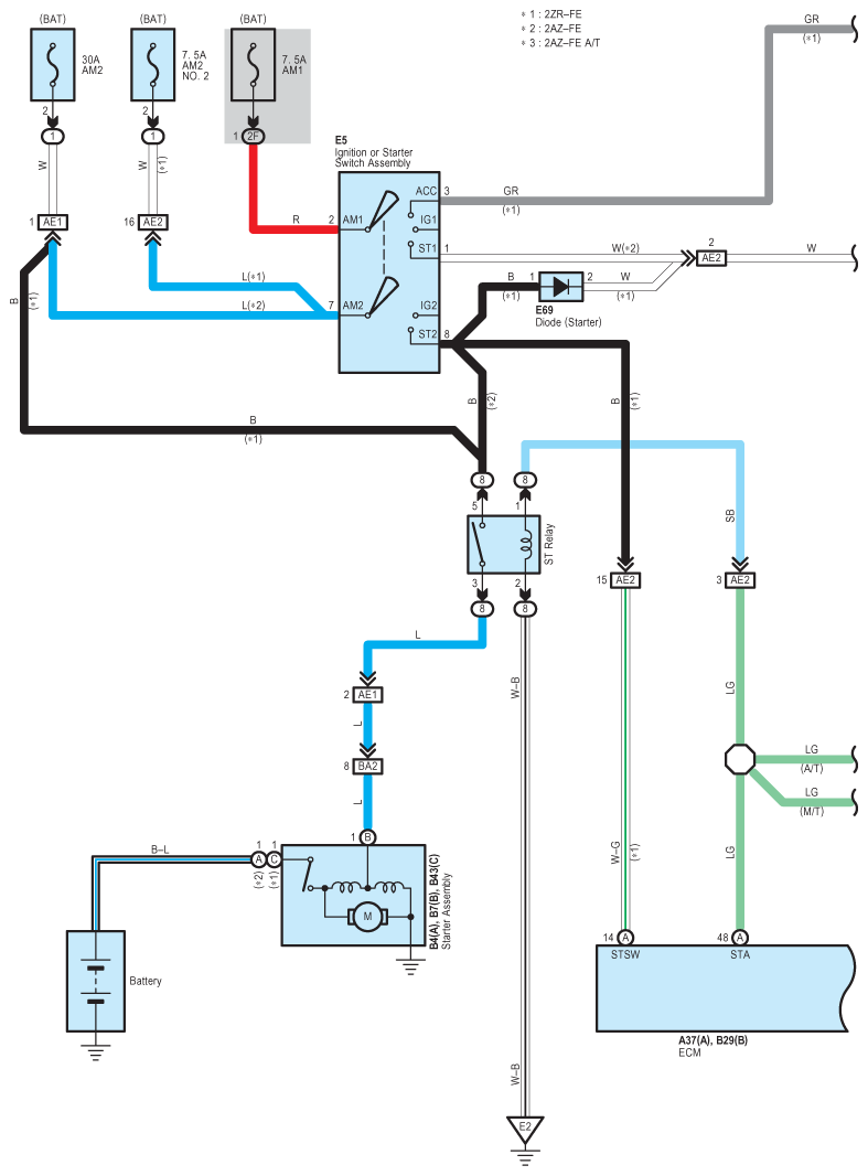
Fig 1: Starting Wiring Diagram (1 Of 2)
G09105834Courtesy of © TOYOTA, LICENSE AGREEMENT TMS1002
Fig 2: Starting Wiring Diagram (2 Of 2)
G09105835Courtesy of © TOYOTA, LICENSE AGREEMENT TMS1002