LEMON Manuals: Even more car manuals for everyone: 1960-2025
Home >> Toyota >> 2013 >> Matrix Base, Automatic Trans >> Repair and Diagnosis (Single Page) >> Electrical >> Motors, Switches, Relays >> OEM System Circuits >> Key Reminder >> Notes
April 5, 2026: LEMON Manuals is launched! Read the announcement.

Key Reminder: Notes

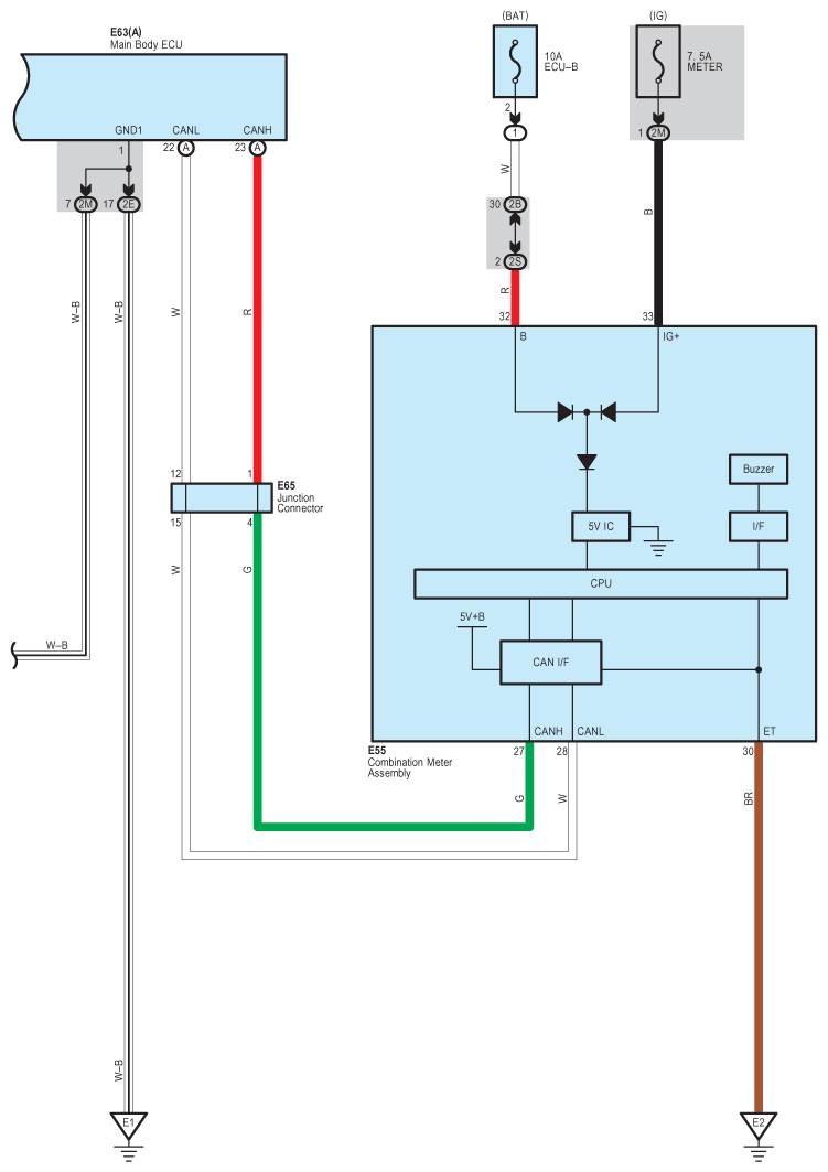
Fig 1: Key Reminder Wiring Diagram (1 Of 2)
G09105949Courtesy of © TOYOTA, LICENSE AGREEMENT TMS1002
Fig 2: Key Reminder Wiring Diagram (2 Of 2)
G09105950Courtesy of © TOYOTA, LICENSE AGREEMENT TMS1002