LEMON Manuals: Even more car manuals for everyone: 1960-2025
Home >> Toyota >> 2013 >> Matrix Base, Automatic Trans >> Repair and Diagnosis (Single Page) >> Engine Performance >> Testing & Diagnosis >> Engine Control System (2ZR-FE) (Diagnostic Codes (P1604-P2A00) & Circuit Tests)) >> SFI System >> DTC P2118: Throttle Actuator Control Motor Current Range / Performance >> Description
April 5, 2026: LEMON Manuals is launched! Read the announcement.

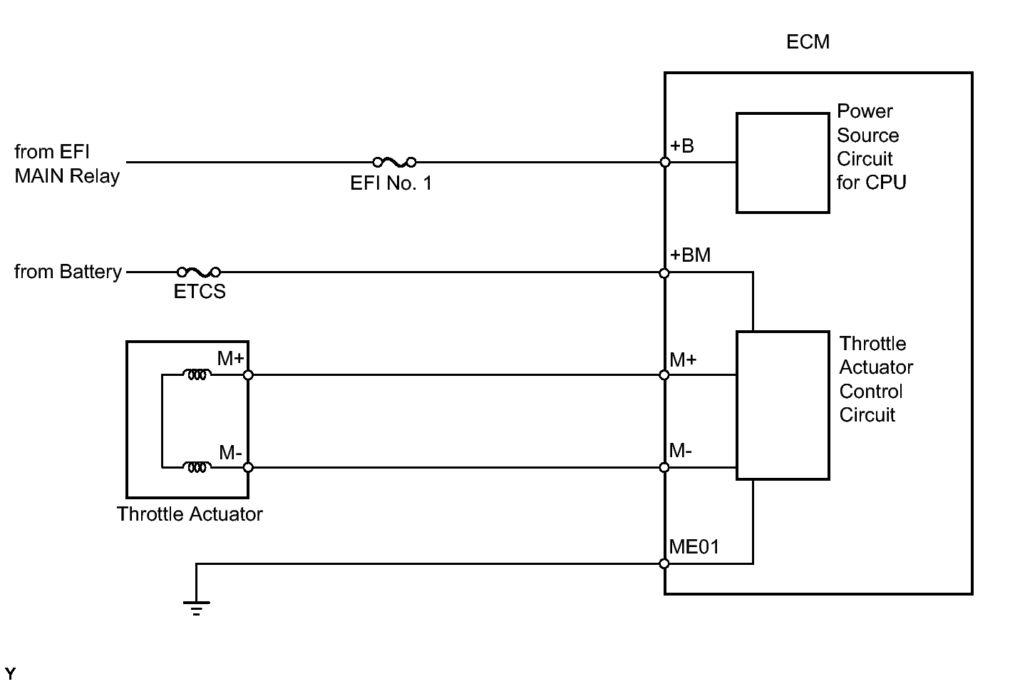
DTC P2118: Throttle Actuator Control Motor Current Range / Performance: Description

The electronic throttle control system has a dedicated power supply circuit. The voltage (+BM) is monitored and when it is low (less than 4 V), the ECM determines that there is a malfunction in the electronic throttle control system and cuts off the current to the throttle actuator.

When the voltage becomes unstable, the electronic throttle control system itself becomes unstable. For this reason, when the voltage is low, the current to the throttle actuator is cut. If repairs are made and the system returns to normal, turn the ignition switch off. On the next restart, the ECM will allow the current to flow to the throttle actuator.

HINT: 

The electronic throttle control system does not use a throttle cable.

Fig 1: Electronic Throttle Control System Circuit Diagram
GTY192829Courtesy of © TOYOTA, LICENSE AGREEMENT TMS1002
DTC No. DTC Detection Condition Trouble Area
P2118 Open in electronic throttle control system power source (+BM) circuit
(1 trip detection logic)
  • Open in ETCS power source circuit
  • Battery
  • Battery terminals
  • ETCS fuse
  • ECM