LEMON Manuals: Even more car manuals for everyone: 1960-2025
Home >> Toyota >> 2013 >> Matrix Base, Automatic Trans >> Repair and Diagnosis >> Electrical >> Body Electrical >> OEM System Circuits >> Illumination and Taillight >> Notes
April 5, 2026: LEMON Manuals is launched! Read the announcement.

Illumination and Taillight: Notes

Fig 1: Illumination And Taillight Wiring Diagram (1 Of 6)
G09105872Courtesy of © TOYOTA, LICENSE AGREEMENT TMS1002
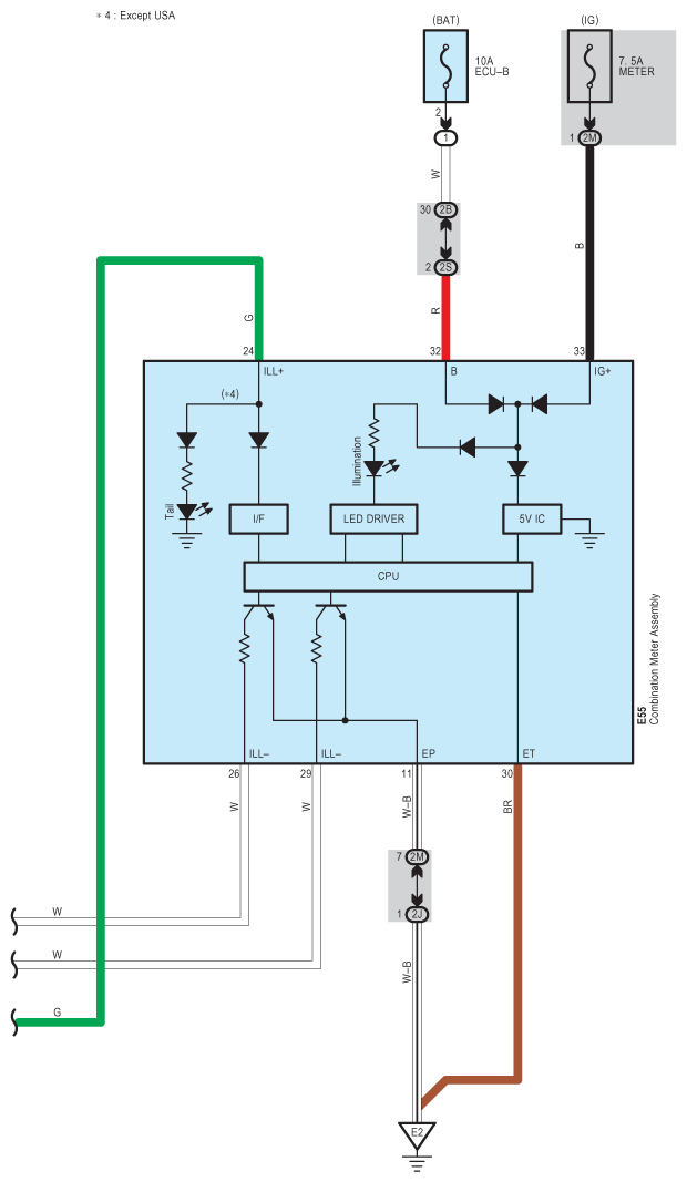
Fig 2: Illumination And Taillight Wiring Diagram (2 Of 6)
G09105873Courtesy of © TOYOTA, LICENSE AGREEMENT TMS1002
Fig 3: Illumination And Taillight Wiring Diagram (3 Of 6)
G09105874Courtesy of © TOYOTA, LICENSE AGREEMENT TMS1002
Fig 4: Illumination And Taillight Wiring Diagram (4 Of 6)
G09105875Courtesy of © TOYOTA, LICENSE AGREEMENT TMS1002
Fig 5: Illumination And Taillight Wiring Diagram (5 Of 6)
G09105876Courtesy of © TOYOTA, LICENSE AGREEMENT TMS1002
Fig 6: Illumination And Taillight Wiring Diagram (6 Of 6)
G09105877Courtesy of © TOYOTA, LICENSE AGREEMENT TMS1002