LEMON Manuals: Even more car manuals for everyone: 1960-2025
Home >> Toyota >> 2013 >> Matrix Base, Automatic Trans >> Repair and Diagnosis >> External Pages >> Different variant/trim >> Section 19 (Engine Control System (2AZ-FE) (Diagnostic Codes (P0500-P2610) & Circuit Tests)) >> SFI System >> DTC P2195: Oxygen (A/F) Sensor Signal Stuck Lean (Bank 1 Sensor 1); DTC P2196: Oxygen (A/F) Sensor Signal Stuck Rich (Bank 1 Sensor 1) >> Wiring Diagram
April 5, 2026: LEMON Manuals is launched! Read the announcement.

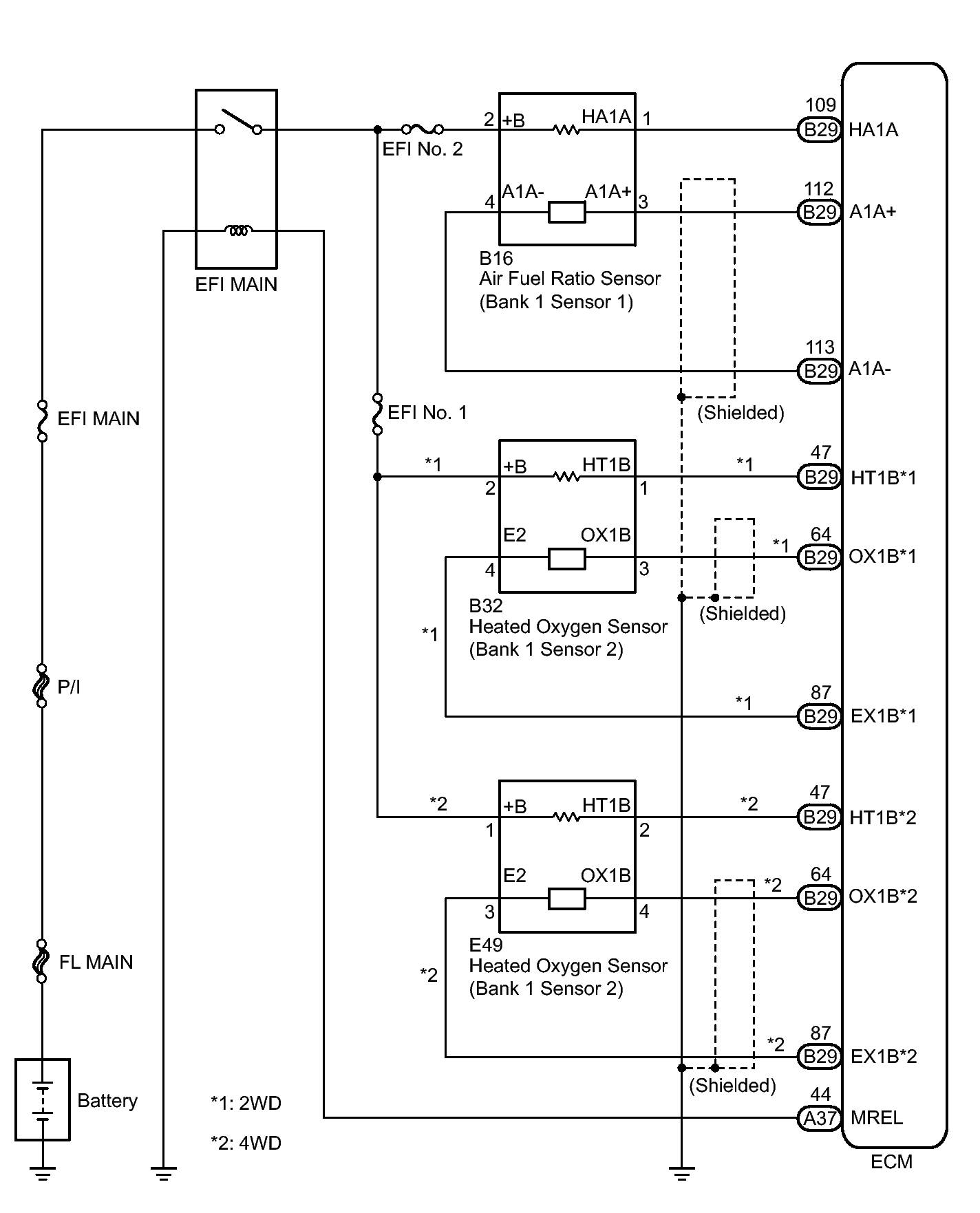
DTC P2195: Oxygen (A/F) Sensor Signal Stuck Lean (Bank 1 Sensor 1); DTC P2196: Oxygen (A/F) Sensor Signal Stuck Rich (Bank 1 Sensor 1): Wiring Diagram

WARNING: This page is about a different variant/trim than selected.
Fig 1: Identifying Oxygen (A/F) Sensor Circuit Diagram
GTY291398Courtesy of © TOYOTA, LICENSE AGREEMENT TMS1002