LEMON Manuals: Even more car manuals for everyone: 1960-2025
Home >> Toyota >> 2013 >> Matrix Base, Standard Trans >> Repair and Diagnosis (Single Page) >> Electrical >> Body Electrical >> OEM System Circuits >> Air Conditioning >> Notes
April 5, 2026: LEMON Manuals is launched! Read the announcement.

Air Conditioning: Notes

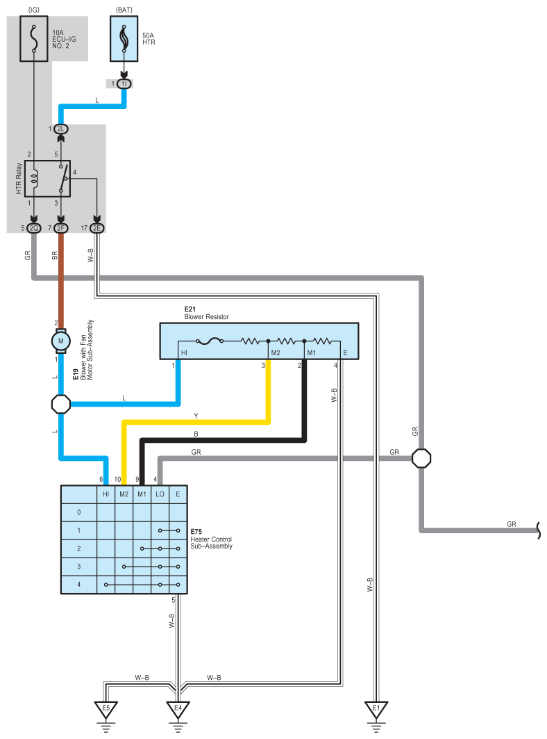
Fig 1: Air Conditioning Wiring Diagram (1 Of 6)
G09105983Courtesy of © TOYOTA, LICENSE AGREEMENT TMS1002
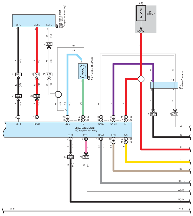
Fig 2: Air Conditioning Wiring Diagram (2 Of 6)
G09105984Courtesy of © TOYOTA, LICENSE AGREEMENT TMS1002
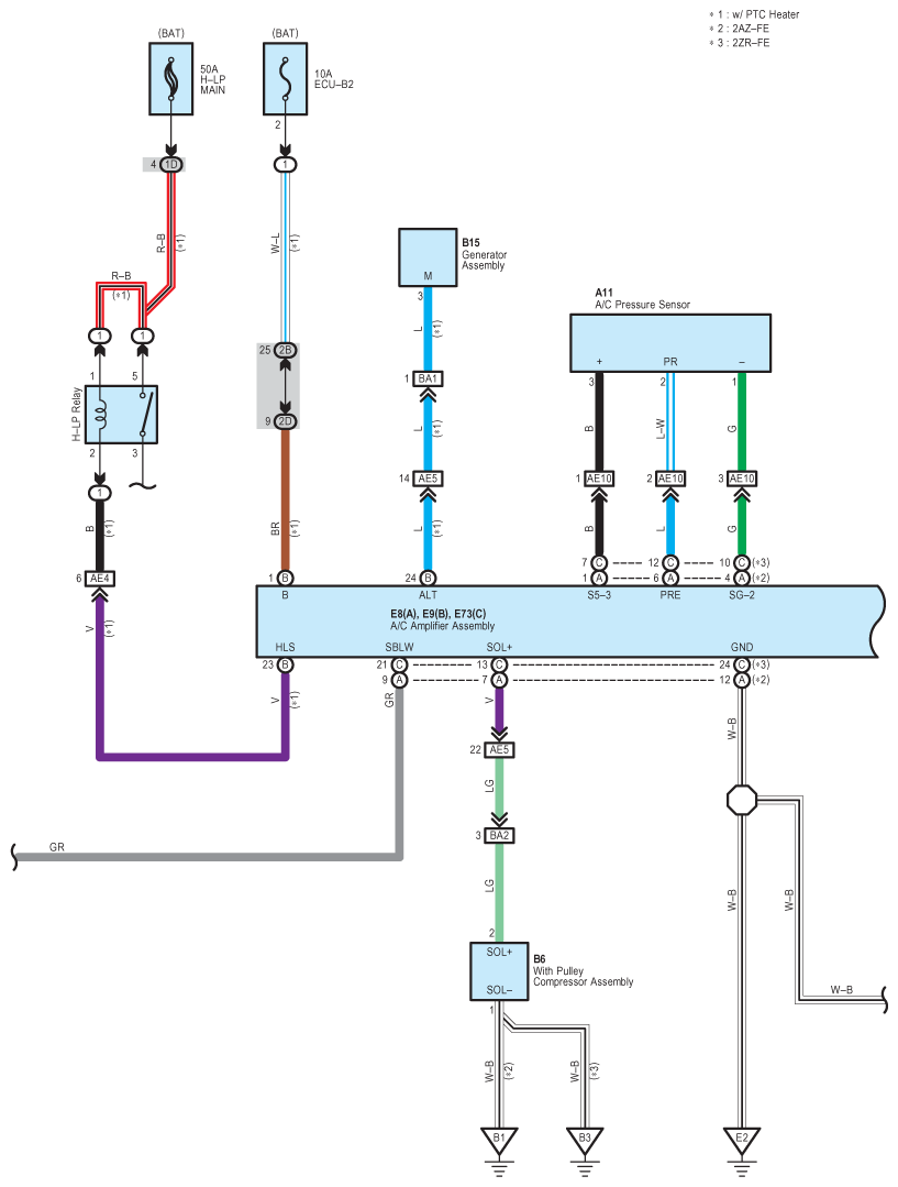
Fig 3: Air Conditioning Wiring Diagram (3 Of 6)
G09105985Courtesy of © TOYOTA, LICENSE AGREEMENT TMS1002
Fig 4: Air Conditioning Wiring Diagram (4 Of 6)
G09105986Courtesy of © TOYOTA, LICENSE AGREEMENT TMS1002
Fig 5: Air Conditioning Wiring Diagram (5 Of 6)
G09105987Courtesy of © TOYOTA, LICENSE AGREEMENT TMS1002
Fig 6: Air Conditioning Wiring Diagram (6 Of 6)
G09105988Courtesy of © TOYOTA, LICENSE AGREEMENT TMS1002