LEMON Manuals: Even more car manuals for everyone: 1960-2025
Home >> Toyota >> 2013 >> Matrix Base, Standard Trans >> Repair and Diagnosis >> Electrical >> Body Electrical >> OEM System Circuits >> Cooling Fan (2ZR-FE) >> Notes
April 5, 2026: LEMON Manuals is launched! Read the announcement.

Cooling Fan (2ZR-FE): Notes

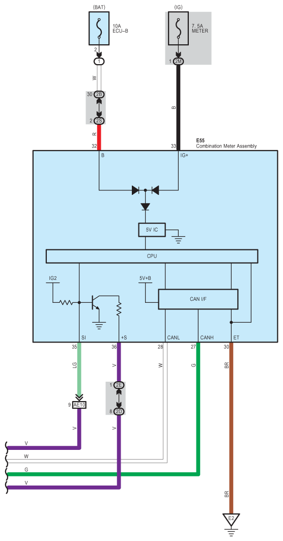
Fig 1: Cooling Fan Wiring Diagram (2ZR-FE) (1 Of 4)
G09105979Courtesy of © TOYOTA, LICENSE AGREEMENT TMS1002
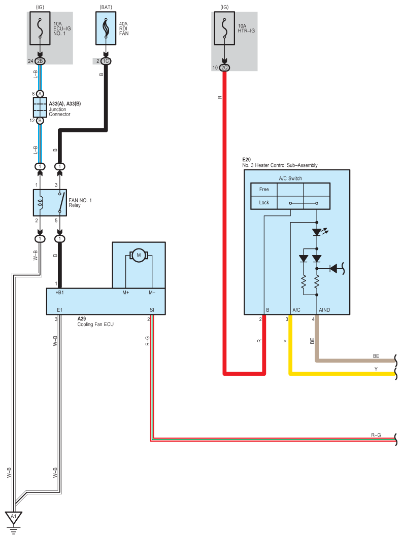
Fig 2: Cooling Fan Wiring Diagram (2ZR-FE) (2 Of 4)
G09105980Courtesy of © TOYOTA, LICENSE AGREEMENT TMS1002
Fig 3: Cooling Fan Wiring Diagram (2ZR-FE) (3 Of 4)
G09105981Courtesy of © TOYOTA, LICENSE AGREEMENT TMS1002
Fig 4: Cooling Fan Wiring Diagram (2ZR-FE) (4 Of 4)
G09105982Courtesy of © TOYOTA, LICENSE AGREEMENT TMS1002