LEMON Manuals: Even more car manuals for everyone: 1960-2025
Home >> Toyota >> 2013 >> Matrix Base, Standard Trans >> Repair and Diagnosis >> External Pages >> Different variant/trim >> Section 19 (Engine Control System (2AZ-FE) (Diagnostic Codes (P0010-P0456))) >> SFI System >> DTC P0115: Engine Coolant Temperature Circuit Malfunction; DTC P0117: Engine Coolant Temperature Circuit Low Input; DTC P0118: Engine Coolant Temperature Circuit High Input >> Wiring Diagram
April 5, 2026: LEMON Manuals is launched! Read the announcement.

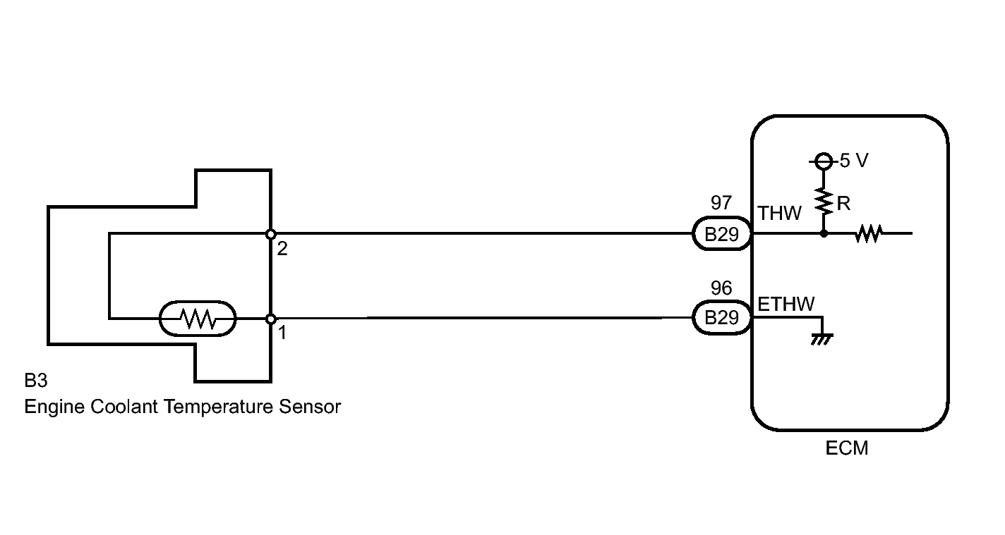
DTC P0115: Engine Coolant Temperature Circuit Malfunction; DTC P0117: Engine Coolant Temperature Circuit Low Input; DTC P0118: Engine Coolant Temperature Circuit High Input: Wiring Diagram

WARNING: This page is about a different variant/trim than selected.
Fig 1: Engine Coolant Temperature Circuit Diagram
GTY293568Courtesy of © TOYOTA, LICENSE AGREEMENT TMS1002