LEMON Manuals: Even more car manuals for everyone: 1960-2025
Home >> Toyota >> 2013 >> Matrix S, FWD, Standard Trans >> Repair and Diagnosis (Single Page) >> Electrical >> Fuses & Circuit Breakers >> OEM Junction Block, Ecu & Fuse/Relay Locations >> Relay Block Identification >> Engine Room Relay Block Assembly And Engine Room Junction Block Assembly Inner Circuit
April 5, 2026: LEMON Manuals is launched! Read the announcement.

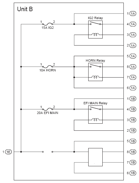
Engine Room Relay Block Assembly And Engine Room Junction Block Assembly Inner Circuit

Fig 1: Engine Room R/B & J/B Assembly Inner Circuit Diagram
G09105801Courtesy of © TOYOTA, LICENSE AGREEMENT TMS1002


Fig 1: Engine Room Relay Block & Junction Block Assembly Inner Circuit
G09105803Courtesy of © TOYOTA, LICENSE AGREEMENT TMS1002
Engine Room R/B And J/B Inner Circuit Relay Identification

RELAY DESCRIPTION
IG2 Relay
Horn Relay
EFI Main Relay