LEMON Manuals: Even more car manuals for everyone: 1960-2025
Home >> Toyota >> 2013 >> Prius C >> Repair and Diagnosis (Single Page) >> Electrical >> Body Electrical >> OEM System Circuits >> Back Door Opener (w/Smart Key System), Hybrid Vehicle Immobilizer System, Smart Key System, Starting (w/Smart Key System), Steering Lock (w/Smart Key System) and Wireless Door Lock Control (w/Smart Key System) >> Notes
April 5, 2026: LEMON Manuals is launched! Read the announcement.

Back Door Opener (w/Smart Key System), Hybrid Vehicle Immobilizer System, Smart Key System, Starting (w/Smart Key System), Steering Lock (w/Smart Key System) and Wireless Door Lock Control (w/Smart Key System): Notes

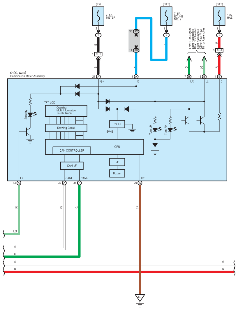
Fig 1: Back Door Opener, Hybrid Vehicle Immobilizer, Steering And Wireless Lock Control Wiring Diagram (1 Of 17)
G09101036Courtesy of © TOYOTA, LICENSE AGREEMENT TMS1002
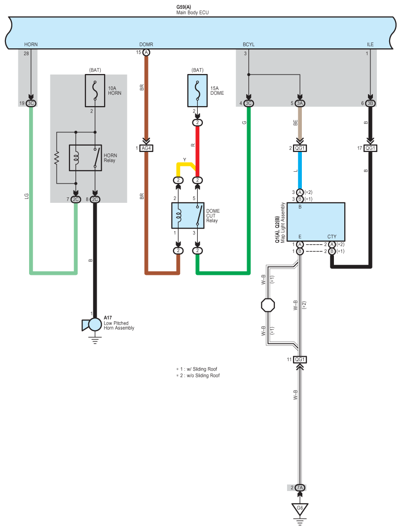
Fig 2: Back Door Opener, Hybrid Vehicle Immobilizer, Steering And Wireless Lock Control Wiring Diagram (2 Of 17)
G09101037Courtesy of © TOYOTA, LICENSE AGREEMENT TMS1002
Fig 3: Back Door Opener, Hybrid Vehicle Immobilizer, Steering And Wireless Lock Control Wiring Diagram (3 Of 17)
G09101038Courtesy of © TOYOTA, LICENSE AGREEMENT TMS1002
Fig 4: Back Door Opener, Hybrid Vehicle Immobilizer, Steering And Wireless Lock Control Wiring Diagram (4 Of 17)
G09101039Courtesy of © TOYOTA, LICENSE AGREEMENT TMS1002
Fig 5: Back Door Opener, Hybrid Vehicle Immobilizer, Steering And Wireless Lock Control Wiring Diagram (5 Of 17)
G09101040Courtesy of © TOYOTA, LICENSE AGREEMENT TMS1002
Fig 6: Back Door Opener, Hybrid Vehicle Immobilizer, Steering And Wireless Lock Control Wiring Diagram (6 Of 17)
G09101041Courtesy of © TOYOTA, LICENSE AGREEMENT TMS1002
Fig 7: Back Door Opener, Hybrid Vehicle Immobilizer, Steering And Wireless Lock Control Wiring Diagram (7 Of 17)
G09101042Courtesy of © TOYOTA, LICENSE AGREEMENT TMS1002
Fig 8: Back Door Opener, Hybrid Vehicle Immobilizer, Steering And Wireless Lock Control Wiring Diagram (8 Of 17)
G09101043Courtesy of © TOYOTA, LICENSE AGREEMENT TMS1002
Fig 9: Back Door Opener, Hybrid Vehicle Immobilizer, Steering And Wireless Lock Control Wiring Diagram (9 Of 17)
G09101044Courtesy of © TOYOTA, LICENSE AGREEMENT TMS1002
Fig 10: Back Door Opener, Hybrid Vehicle Immobilizer, Steering And Wireless Lock Control Wiring Diagram (10 Of 17)
G09101045Courtesy of © TOYOTA, LICENSE AGREEMENT TMS1002
Fig 11: Back Door Opener, Hybrid Vehicle Immobilizer, Steering And Wireless Lock Control Wiring Diagram (11 Of 17)
G09101046Courtesy of © TOYOTA, LICENSE AGREEMENT TMS1002
Fig 12: Back Door Opener, Hybrid Vehicle Immobilizer, Steering And Wireless Lock Control Wiring Diagram (12 Of 17)
G09101047Courtesy of © TOYOTA, LICENSE AGREEMENT TMS1002
Fig 13: Back Door Opener, Hybrid Vehicle Immobilizer, Steering And Wireless Lock Control Wiring Diagram (13 Of 17)
G09101048Courtesy of © TOYOTA, LICENSE AGREEMENT TMS1002
Fig 14: Back Door Opener, Hybrid Vehicle Immobilizer, Steering And Wireless Lock Control Wiring Diagram (14 Of 17)
G09101049Courtesy of © TOYOTA, LICENSE AGREEMENT TMS1002
Fig 15: Back Door Opener, Hybrid Vehicle Immobilizer, Steering And Wireless Lock Control Wiring Diagram (15 Of 17)
G09101050Courtesy of © TOYOTA, LICENSE AGREEMENT TMS1002
Fig 16: Back Door Opener, Hybrid Vehicle Immobilizer, Steering And Wireless Lock Control Wiring Diagram (16 Of 17)
G09101051Courtesy of © TOYOTA, LICENSE AGREEMENT TMS1002
Fig 17: Back Door Opener, Hybrid Vehicle Immobilizer, Steering And Wireless Lock Control Wiring Diagram (17 Of 17)
G09101052Courtesy of © TOYOTA, LICENSE AGREEMENT TMS1002