LEMON Manuals: Even more car manuals for everyone: 1960-2025
Home >> Toyota >> 2013 >> Prius C >> Repair and Diagnosis >> Electrical >> Body Electrical >> OEM System Circuits >> Back Door Opener Switch Assembly >> Notes
April 5, 2026: LEMON Manuals is launched! Read the announcement.

Back Door Opener Switch Assembly: Notes

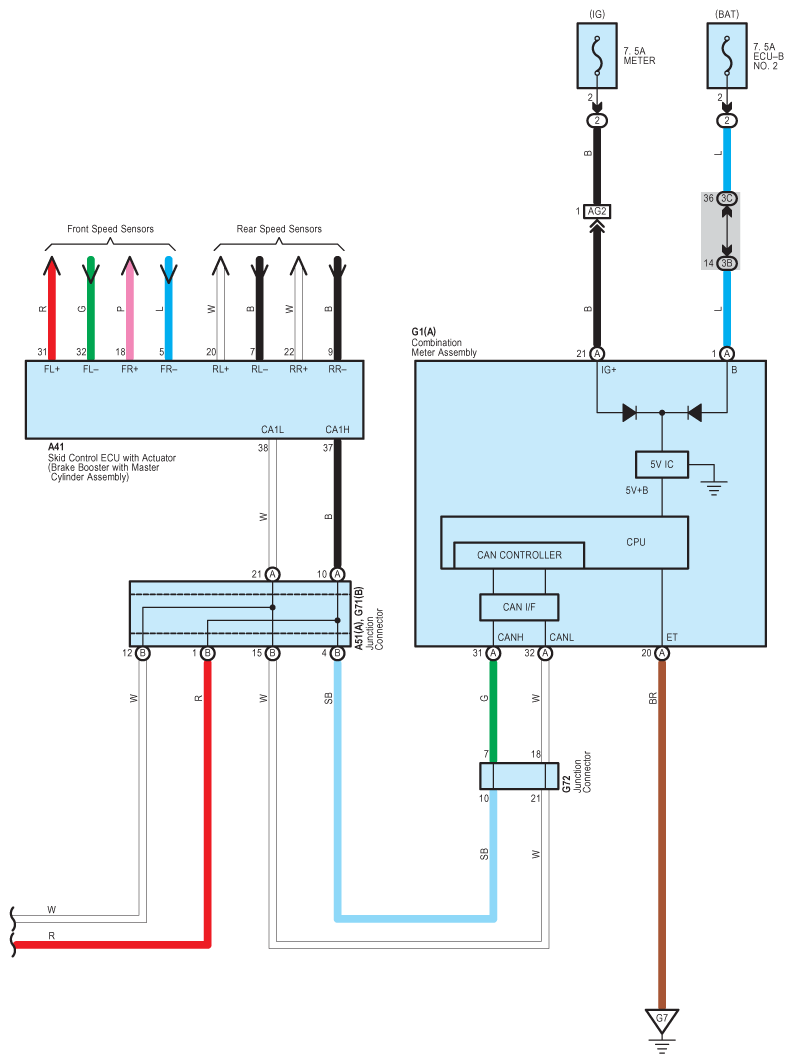
Fig 1: Back Door Opener (w/o Smart Key System) Wiring Diagram (1 Of 3)
G09101118Courtesy of © TOYOTA, LICENSE AGREEMENT TMS1002
Fig 2: Back Door Opener (w/o Smart Key System) Wiring Diagram (2 Of 3)
G09101119Courtesy of © TOYOTA, LICENSE AGREEMENT TMS1002
Fig 3: Back Door Opener (w/o Smart Key System) Wiring Diagram (3 Of 3)
G09101120Courtesy of © TOYOTA, LICENSE AGREEMENT TMS1002