LEMON Manuals: Even more car manuals for everyone: 1960-2025
Home >> Toyota >> 2013 >> Prius C >> Repair and Diagnosis >> Electrical >> Body Electrical >> OEM System Circuits >> Vehicle Proximity Notification System >> Notes
April 5, 2026: LEMON Manuals is launched! Read the announcement.

Vehicle Proximity Notification System: Notes

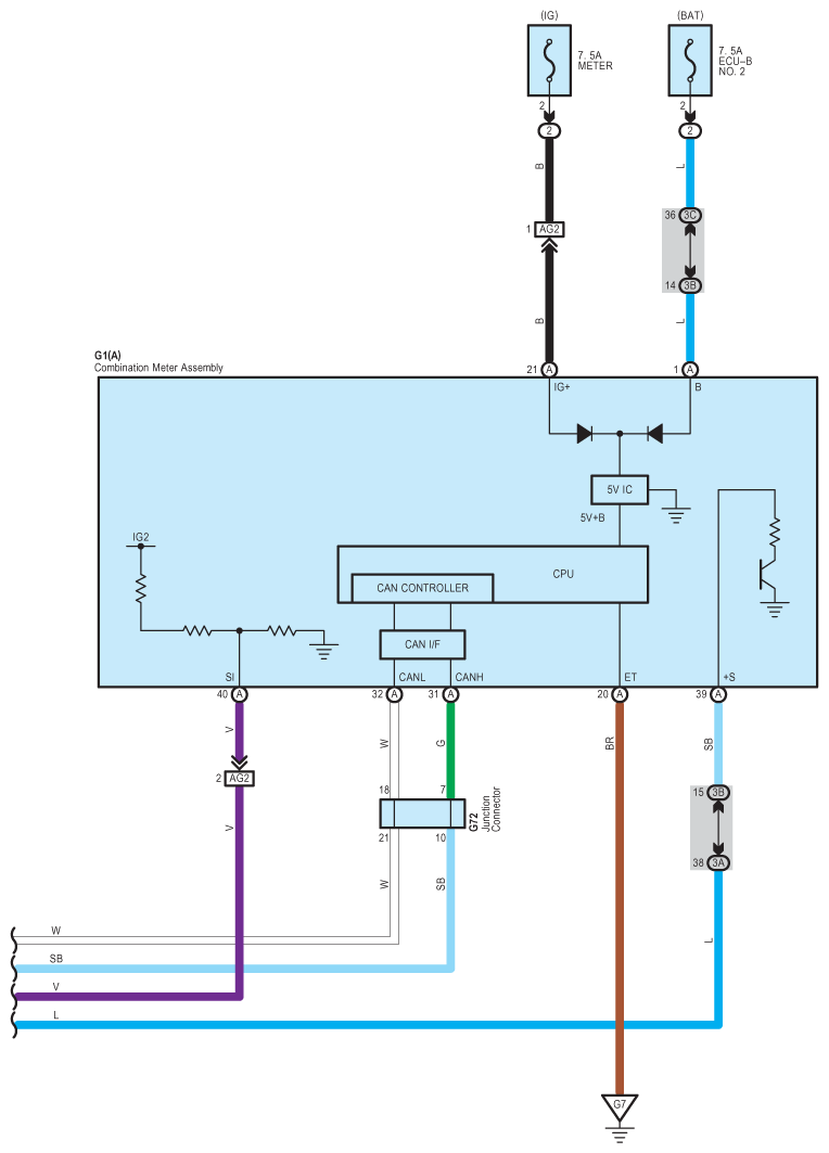
Fig 1: Vehicle Proximity Notification System Wiring Diagram (1 Of 5)
G09101162Courtesy of © TOYOTA, LICENSE AGREEMENT TMS1002
Fig 2: Vehicle Proximity Notification System Wiring Diagram (2 Of 5)
G09101163Courtesy of © TOYOTA, LICENSE AGREEMENT TMS1002
Fig 3: Vehicle Proximity Notification System Wiring Diagram (3 Of 5)
G09101164Courtesy of © TOYOTA, LICENSE AGREEMENT TMS1002
Fig 4: Vehicle Proximity Notification System Wiring Diagram (4 Of 5)
G09101165Courtesy of © TOYOTA, LICENSE AGREEMENT TMS1002
Fig 5: Vehicle Proximity Notification System Wiring Diagram (5 Of 5)
G09101166Courtesy of © TOYOTA, LICENSE AGREEMENT TMS1002