LEMON Manuals: Even more car manuals for everyone: 1960-2025
Home >> Toyota >> 2013 >> Prius Five >> Repair and Diagnosis >> External Pages >> Different variant/trim >> Section 59 (Hybrid Battery Control System (Diagnostics - Introduction) (Plug-In)) >> Plug-In Charge Control System >> System Diagram >> System Diagram
April 5, 2026: LEMON Manuals is launched! Read the announcement.

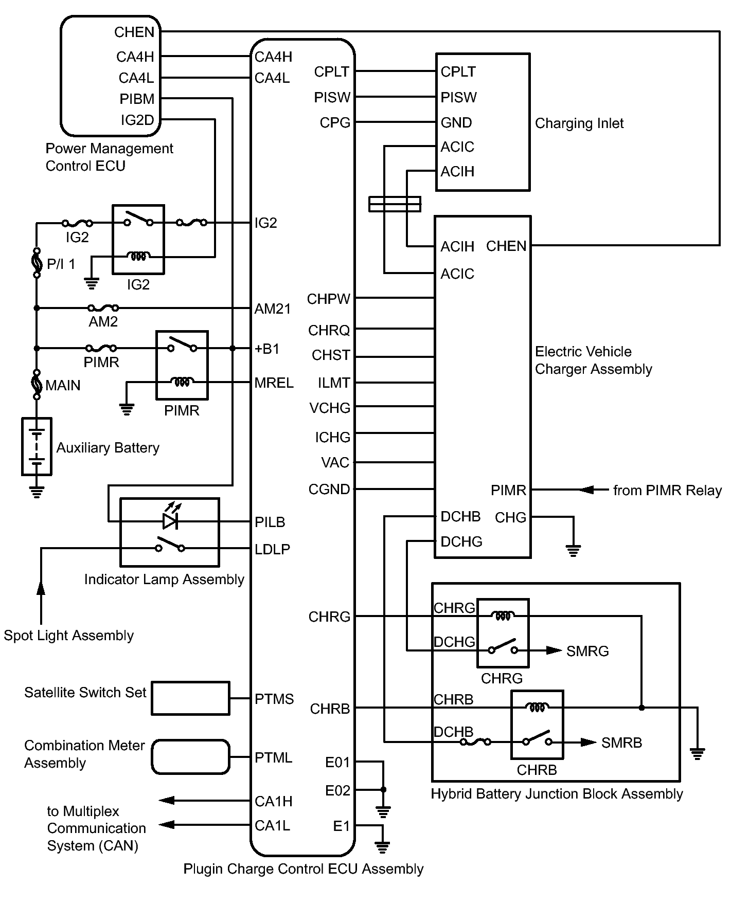
System Diagram

WARNING: This page is about a different variant/trim than selected.
Fig 1: Identifying Plug-In Charge Control System Circuit Diagram
GTY338283Courtesy of © TOYOTA, LICENSE AGREEMENT TMS1002