LEMON Manuals: Even more car manuals for everyone: 1960-2025
Home >> Toyota >> 2013 >> Prius Four >> Repair and Diagnosis (Single Page) >> Accessories & Equipment >> Cruise Control Systems >> Cruise Control System (Diagnostics - Introduction) (Except Plug-In) >> Cruise Control System >> System Diagram >> System Diagram
April 5, 2026: LEMON Manuals is launched! Read the announcement.

System Diagram

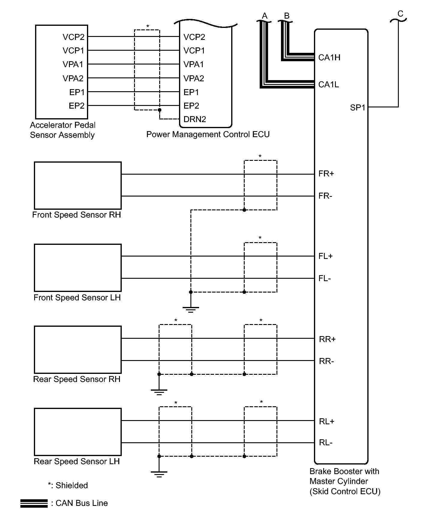
Fig 1: Cruise Control System Wiring Diagram (1 Of 2)
GTY326632Courtesy of © TOYOTA, LICENSE AGREEMENT TMS1002
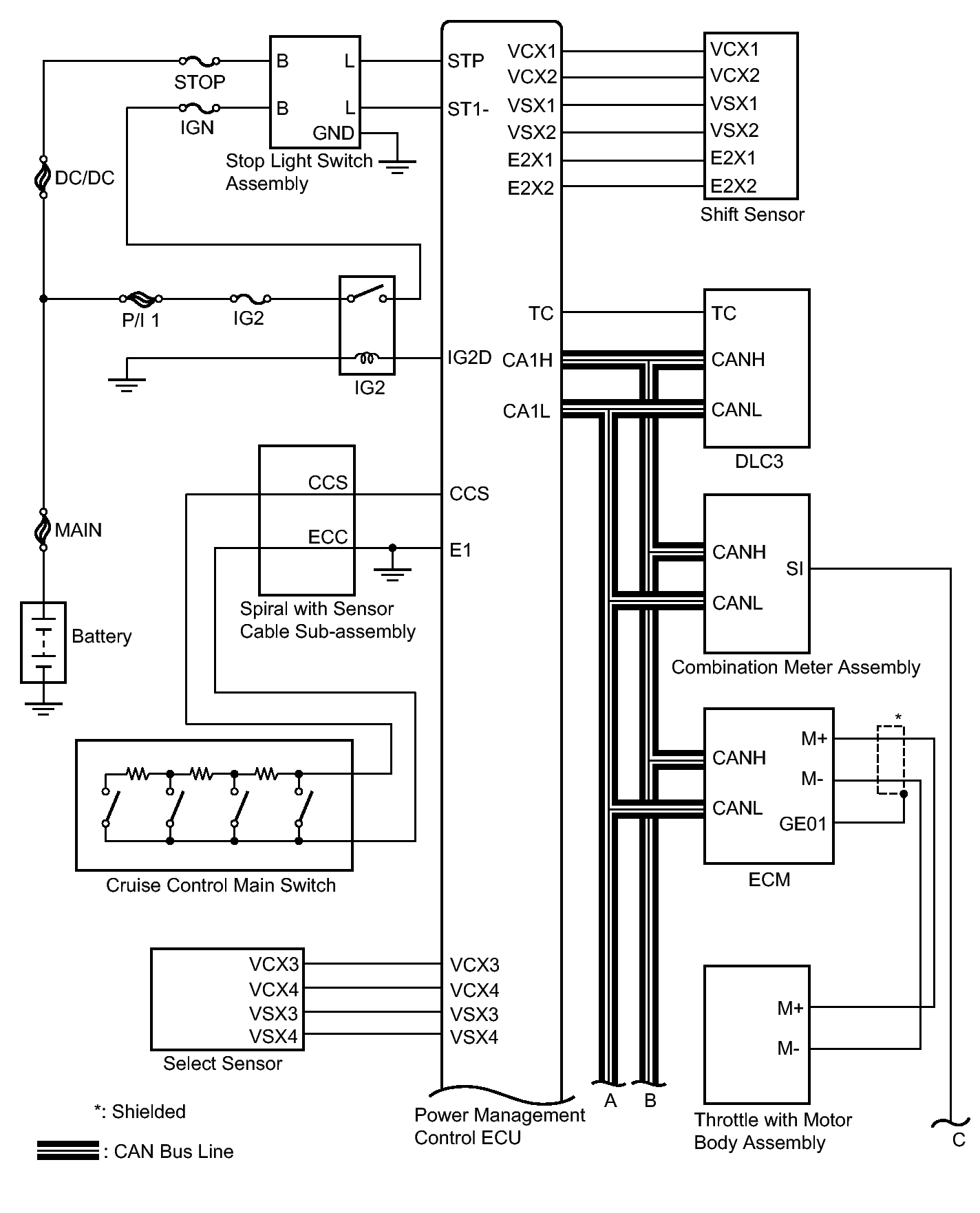
Fig 2: Cruise Control System Wiring Diagram (2 Of 2)
GTY325888Courtesy of © TOYOTA, LICENSE AGREEMENT TMS1002
COMMUNICATION TABLE

Sender Receiver Signal Line
Power management control ECU Combination meter assembly
(Cruise Main Indicator Light)
("SET" Indicator)
  • Cruise main indicator and SET indicator operation signal
  • Cruise control diagnosis signal
CAN
Brake booster with master cylinder (skid control ECU) Power management control ECU Electronically controlled brake system malfunction signal CAN
Power management control ECU ECM Throttle actuator operation signal CAN
ECM Power management control ECU Throttle position signal CAN