LEMON Manuals: Even more car manuals for everyone: 1960-2025
Home >> Toyota >> 2013 >> Prius Four >> Repair and Diagnosis (Single Page) >> Accessories & Equipment >> Cruise Control Systems >> Dynamic Radar Cruise Control System (Diagnostics - Introduction) (Except Plug-In) >> Dynamic Radar Cruise Control System >> System Diagram >> System Diagram
April 5, 2026: LEMON Manuals is launched! Read the announcement.

System Diagram

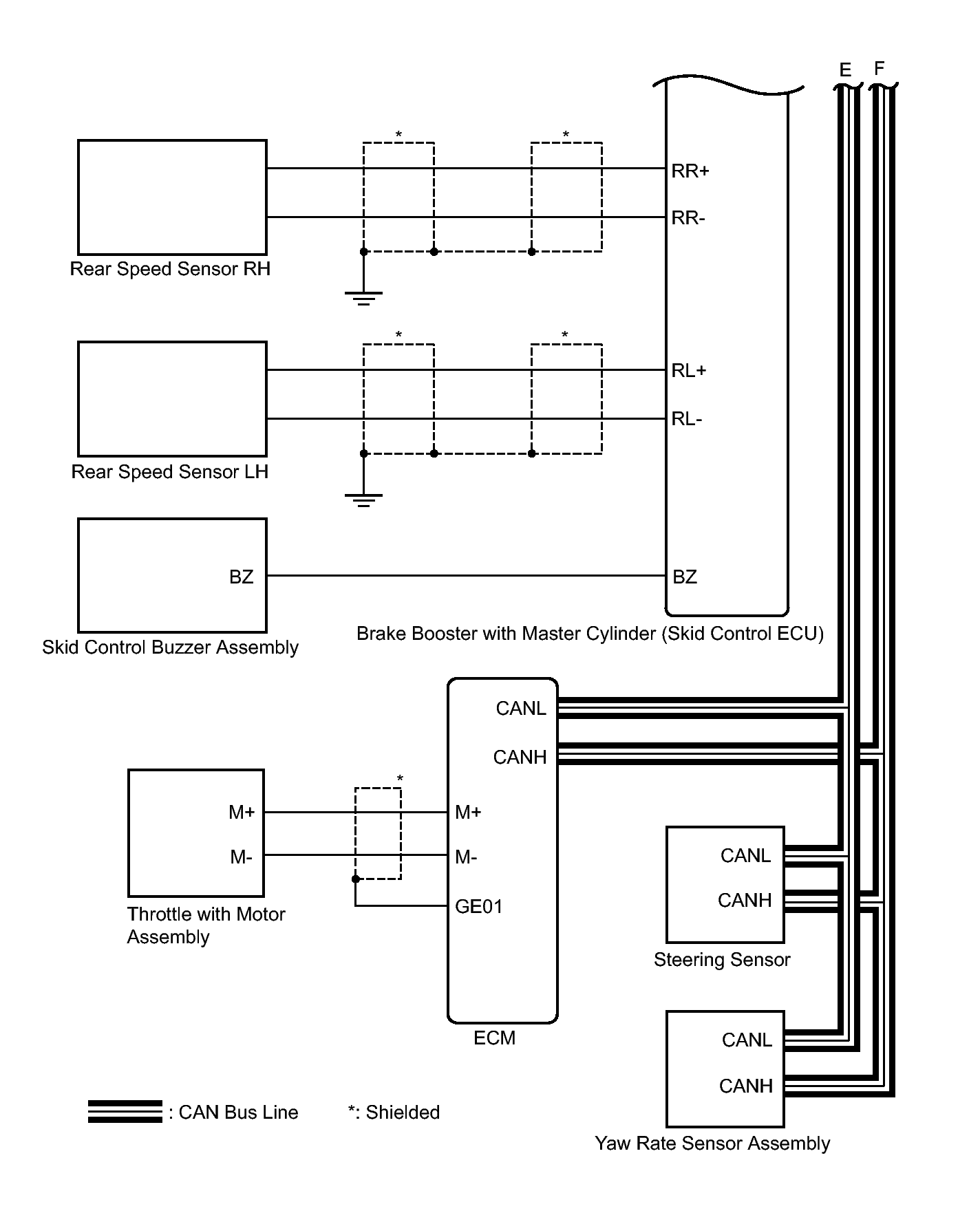
Fig 1: Identifying Dynamic Radar Cruise Control System Wiring Diagram (1 Of 4)
GTY369932Courtesy of © TOYOTA, LICENSE AGREEMENT TMS1002
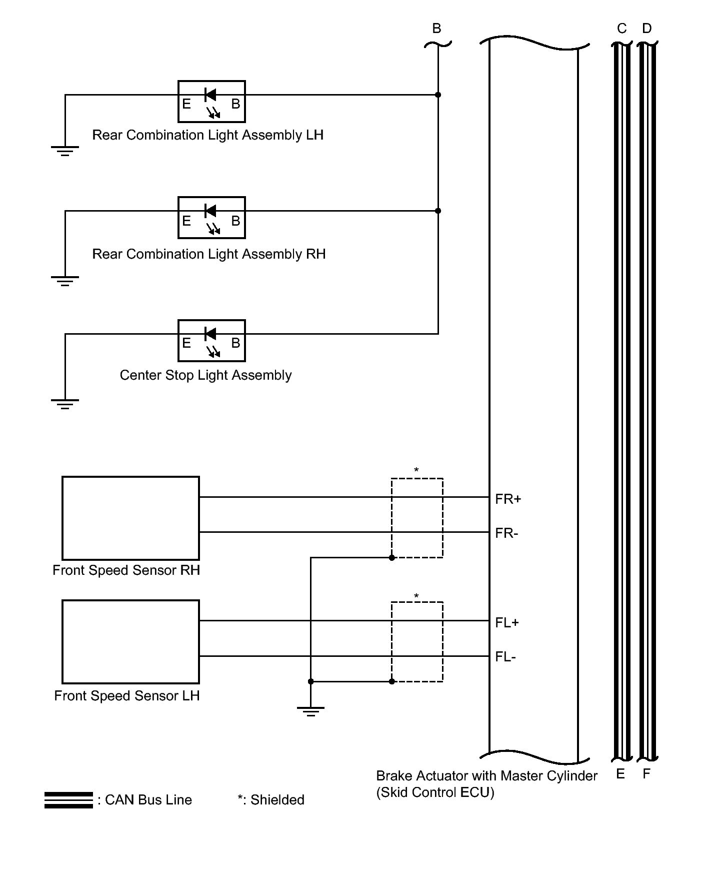
Fig 2: Identifying Dynamic Radar Cruise Control System Wiring Diagram (2 Of 4)
GTY327568Courtesy of © TOYOTA, LICENSE AGREEMENT TMS1002
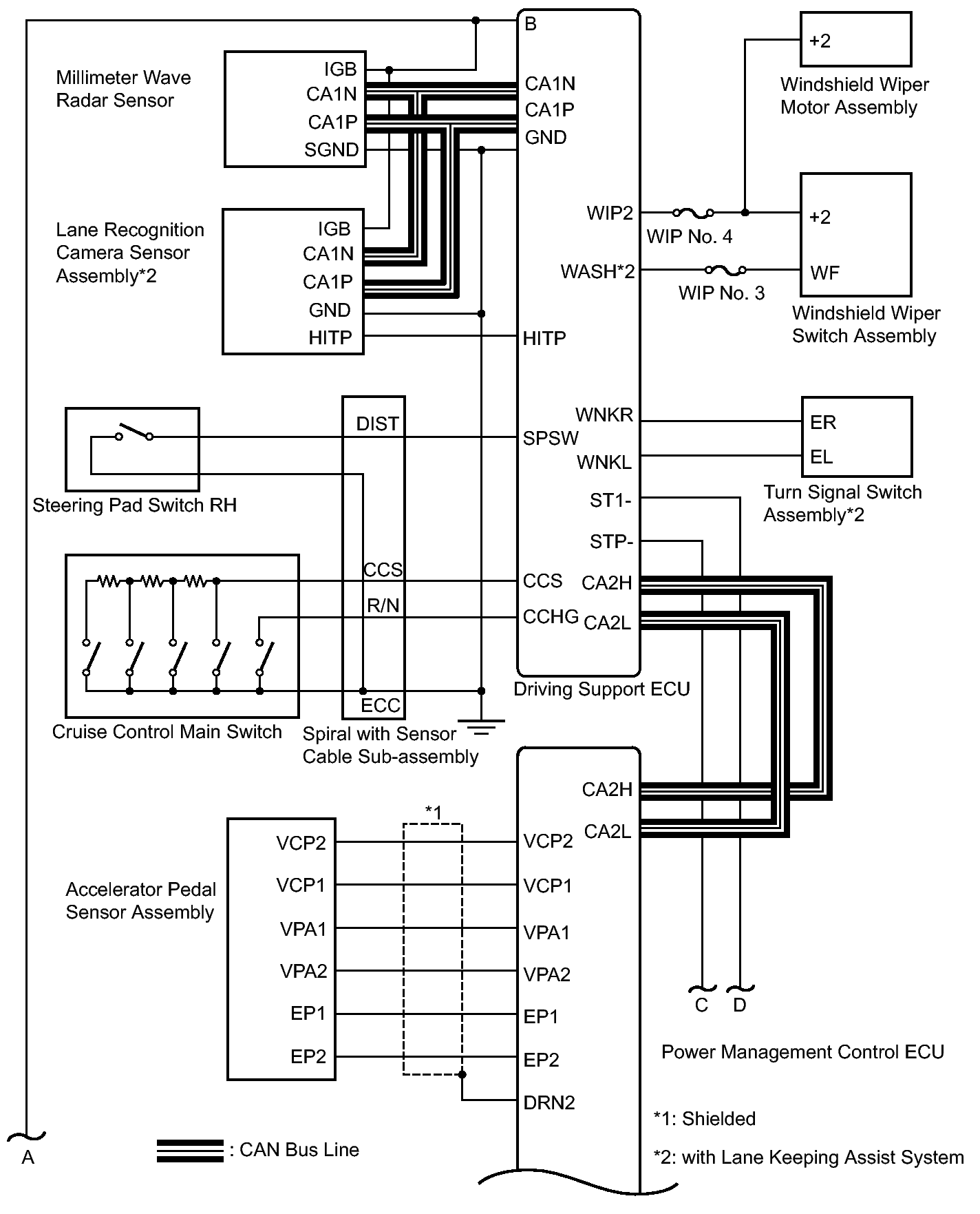
Fig 3: Identifying Dynamic Radar Cruise Control System Wiring Diagram (3 Of 4)
GTY335494Courtesy of © TOYOTA, LICENSE AGREEMENT TMS1002
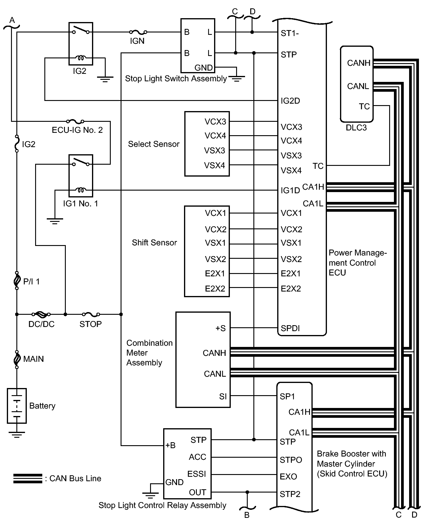
Fig 4: Identifying Dynamic Radar Cruise Control System Wiring Diagram (4 Of 4)
GTY334962Courtesy of © TOYOTA, LICENSE AGREEMENT TMS1002
COMMUNICATION TABLE

Sender Receiver Signal Line
Power Management Control ECU Driving Support ECU Actual driving force signal CAN
Accelerator pedal idle position signal
Accelerator pedal position signal
Shift position signal (D and R)
Cruise control operation signal
Cruise control cancel demand signal
Hybrid control system malfunction signal
SFI system malfunction signal
Driving Support ECU Power Management Control ECU Target driving force signal CAN
Forward vehicle relative speed
Brake Booster with Master Cylinder (Skid Control ECU) Driving Support ECU Speed signal CAN
Speed sensor signal
Vehicle acceleration signal
Brake control operation signal
Electronically controlled brake system malfunction signal
Speed sensor warning signal
Stop light switch control relay malfunction signal
Skid control buzzer malfunction signal
Cruise control cancel demand signal
Yaw rate sensor zero point signal
Driving Support ECU Brake Booster with Master Cylinder (Skid Control ECU) Skid control buzzer operate demand signal CAN
Brake control demand signal
Driving Support ECU Combination Meter Assembly Vehicle approach warning signal CAN
Forward vehicle detection signal
Cruise control diagnosis signal
Vehice-to-vehicle distance signal
Dirt present on millimeter wave radar sensor signal
Bad weather detection signal
Vehice-to-vehicle distance control signal
Vehice-to-vehicle distance control check mode signal
Vehice-to-vehicle distance control standby signal
Constant speed cruise signal
Cruise indicator light operation signal
Cruise control warning signal
Dynamic radar cruise warning signal
Cruise control vehicle speed signal
Millimeter wave radar sensor beam axis deviation signal
Country specification information signal
Combination Meter Assembly Driving Support ECU Country specification information signal CAN
Main Body ECU Driving Support ECU Country specification information signal CAN
Yaw Rate Signal Driving Support ECU Yaw rate signal CAN
Yaw rate sensor malfunction signal
Steering Sensor (Built into Spiral with Sensor Cable Sub-assembly) Driving Support ECU +B open circuit malfunction signal CAN
Steering sensor malfunction signal
Steering angle signal
Steering signal zero point signal