LEMON Manuals: Even more car manuals for everyone: 1960-2025
Home >> Toyota >> 2013 >> Prius Plug-in >> Repair and Diagnosis (Single Page) >> Body & Frame >> Mirrors >> Power Mirror Control (Inspection) (Plug-In) >> Power Mirror Control System >> System Diagram >> System Diagram
April 5, 2026: LEMON Manuals is launched! Read the announcement.

System Diagram

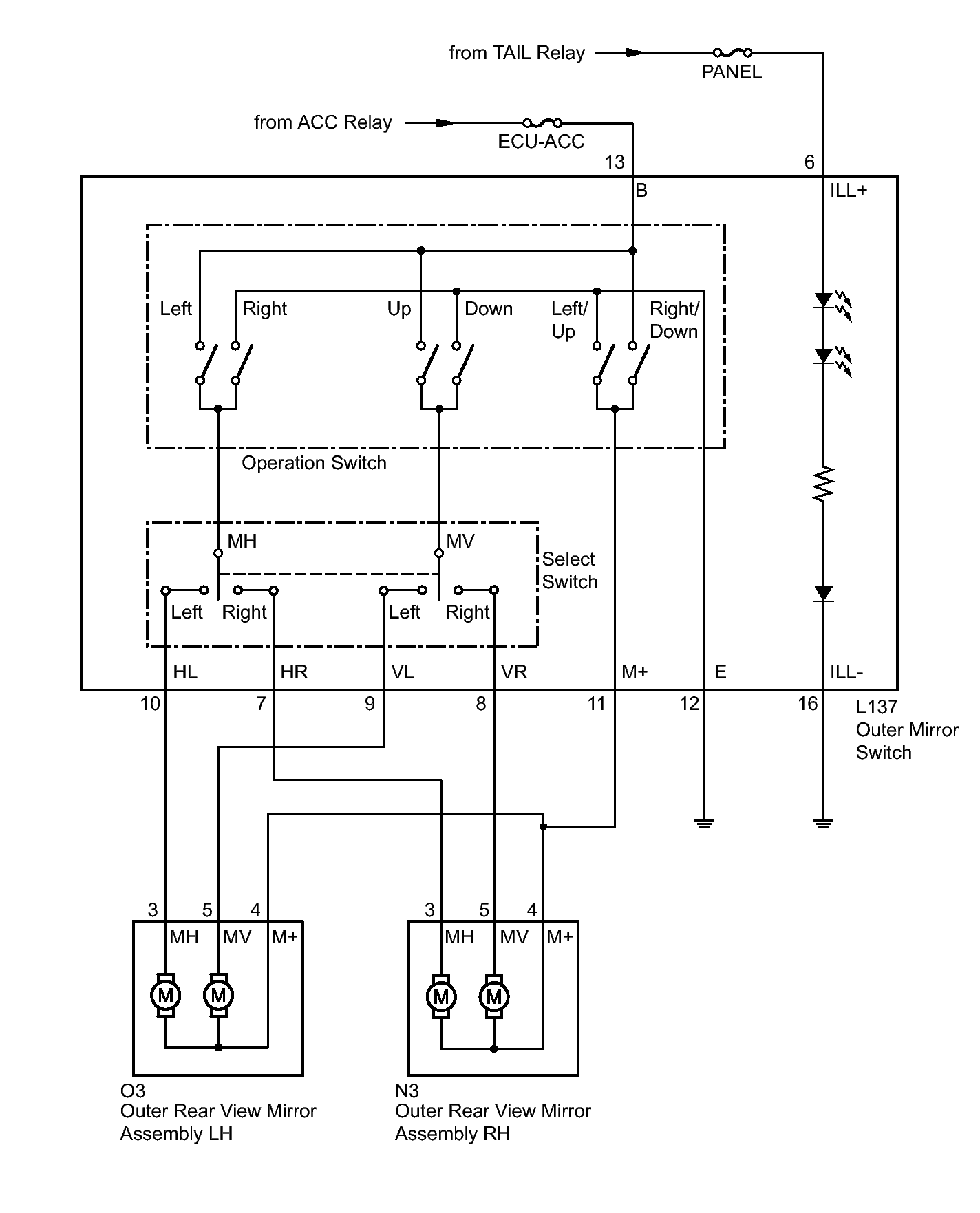
  1. Remote Control Mirror 
    Fig 1: Identifying Remote Control Mirror System Circuit Diagram
    GTY341595Courtesy of © TOYOTA, LICENSE AGREEMENT TMS1002
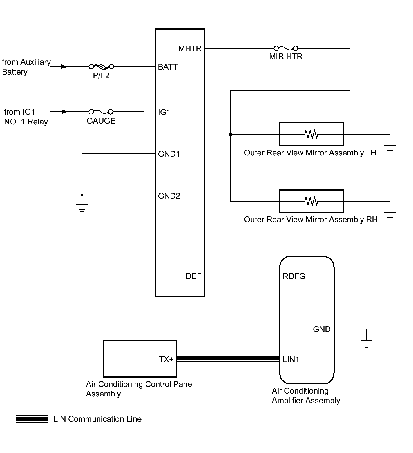
  2. Mirror Heater 
    Fig 2: Identifying Mirror Heater System Circuit Diagram
    GTY336585Courtesy of © TOYOTA, LICENSE AGREEMENT TMS1002
    COMMUNICATION TABLE

    Transmitting ECU Receiving ECU Signal Communication Method
    Air Conditioning Control Panel Assembly Air Conditioning Amplifier Assembly Outer Mirror Heater Switch Signal LIN