LEMON Manuals: Even more car manuals for everyone: 1960-2025
Home >> Toyota >> 2013 >> Prius Plug-in >> Repair and Diagnosis (Single Page) >> Electrical >> Body Electrical >> OEM System Circuits (Plug-In) >> Door Lock Control >> Notes
April 5, 2026: LEMON Manuals is launched! Read the announcement.

Door Lock Control: Notes

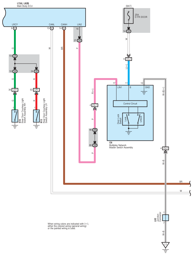
Fig 1: Door Lock Control System Wiring Diagram (1 Of 8)
G09100287Courtesy of © TOYOTA, LICENSE AGREEMENT TMS1002
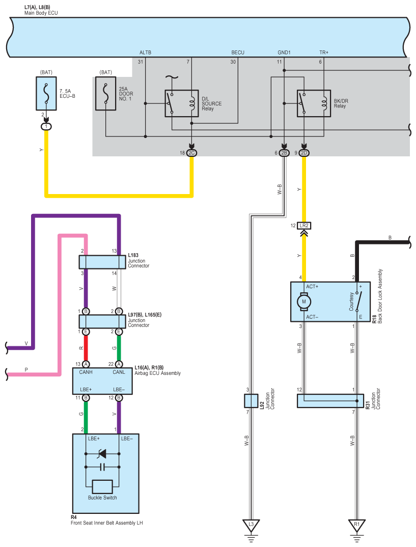
Fig 2: Door Lock Control System Wiring Diagram (2 Of 8)
G09100288Courtesy of © TOYOTA, LICENSE AGREEMENT TMS1002
Fig 3: Door Lock Control System Wiring Diagram (3 Of 8)
G09100289Courtesy of © TOYOTA, LICENSE AGREEMENT TMS1002
Fig 4: Door Lock Control System Wiring Diagram (4 Of 8)
G09100290Courtesy of © TOYOTA, LICENSE AGREEMENT TMS1002
Fig 5: Door Lock Control System Wiring Diagram (5 Of 8)
G09100291Courtesy of © TOYOTA, LICENSE AGREEMENT TMS1002
Fig 6: Door Lock Control System Wiring Diagram (6 Of 8)
G09100292Courtesy of © TOYOTA, LICENSE AGREEMENT TMS1002
Fig 7: Door Lock Control System Wiring Diagram (7 Of 8)
G09100293Courtesy of © TOYOTA, LICENSE AGREEMENT TMS1002
Fig 8: Door Lock Control System Wiring Diagram (8 Of 8)
G09100294Courtesy of © TOYOTA, LICENSE AGREEMENT TMS1002