LEMON Manuals: Even more car manuals for everyone: 1960-2025
Home >> Toyota >> 2013 >> Prius Plug-in >> Repair and Diagnosis (Single Page) >> Engine Performance >> System >> Engine Control System (Diagnostic Codes ( P0327 - P1422)) (Plug-In) >> SFI System >> DTC P0403: Exhaust Gas Recirculation Control Circuit >> Wiring Diagram
April 5, 2026: LEMON Manuals is launched! Read the announcement.

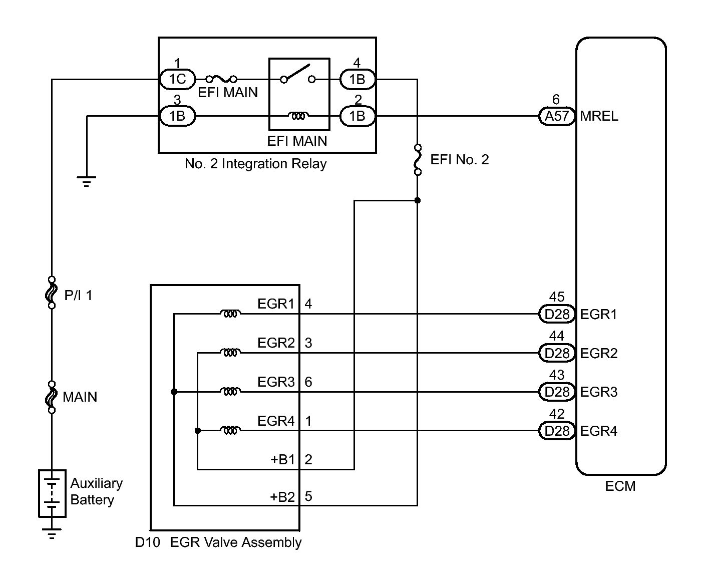
DTC P0403: Exhaust Gas Recirculation Control Circuit: Wiring Diagram

Fig 1: EGR Valve Assembly Circuit Diagram
GTY331725Courtesy of © TOYOTA, LICENSE AGREEMENT TMS1002