LEMON Manuals: Even more car manuals for everyone: 1960-2025
Home >> Toyota >> 2013 >> Prius Plug-in >> Repair and Diagnosis >> Electrical >> Body Electrical >> OEM System Circuits (Plug-In) >> Vehicle Proximity Notification System >> Notes
April 5, 2026: LEMON Manuals is launched! Read the announcement.

Vehicle Proximity Notification System: Notes

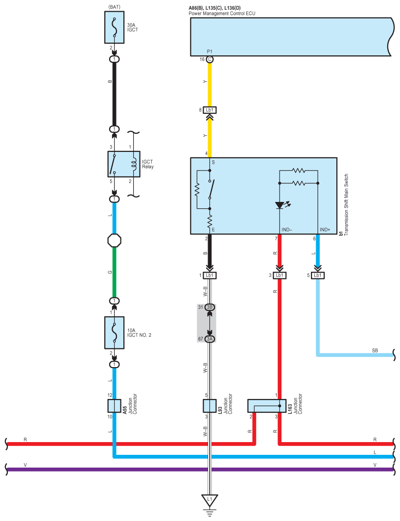
Fig 1: Vehicle Proximity Notification System Wiring Diagram (1 Of 6)
G09100347Courtesy of © TOYOTA, LICENSE AGREEMENT TMS1002
Fig 2: Vehicle Proximity Notification System Wiring Diagram (2 Of 6)
G09100348Courtesy of © TOYOTA, LICENSE AGREEMENT TMS1002
Fig 3: Vehicle Proximity Notification System Wiring Diagram (3 Of 6)
G09100349Courtesy of © TOYOTA, LICENSE AGREEMENT TMS1002
Fig 4: Vehicle Proximity Notification System Wiring Diagram (4 Of 6)
G09100350Courtesy of © TOYOTA, LICENSE AGREEMENT TMS1002
Fig 5: Vehicle Proximity Notification System Wiring Diagram (5 Of 6)
G09100351Courtesy of © TOYOTA, LICENSE AGREEMENT TMS1002
Fig 6: Vehicle Proximity Notification System Wiring Diagram (6 Of 6)
G09100352Courtesy of © TOYOTA, LICENSE AGREEMENT TMS1002