LEMON Manuals: Even more car manuals for everyone: 1960-2025
Home >> Toyota >> 2013 >> Prius Plug-in >> Repair and Diagnosis >> External Pages >> Different variant/trim >> Section 77 (Dynamic Radar Cruise Control System (Diagnostic Codes & Circuit Tests) (Except Plug-In)) >> Dynamic Radar Cruise Control System >> Circuit Tests >> Cruise Control Switch Circuit >> Wiring Diagram
April 5, 2026: LEMON Manuals is launched! Read the announcement.

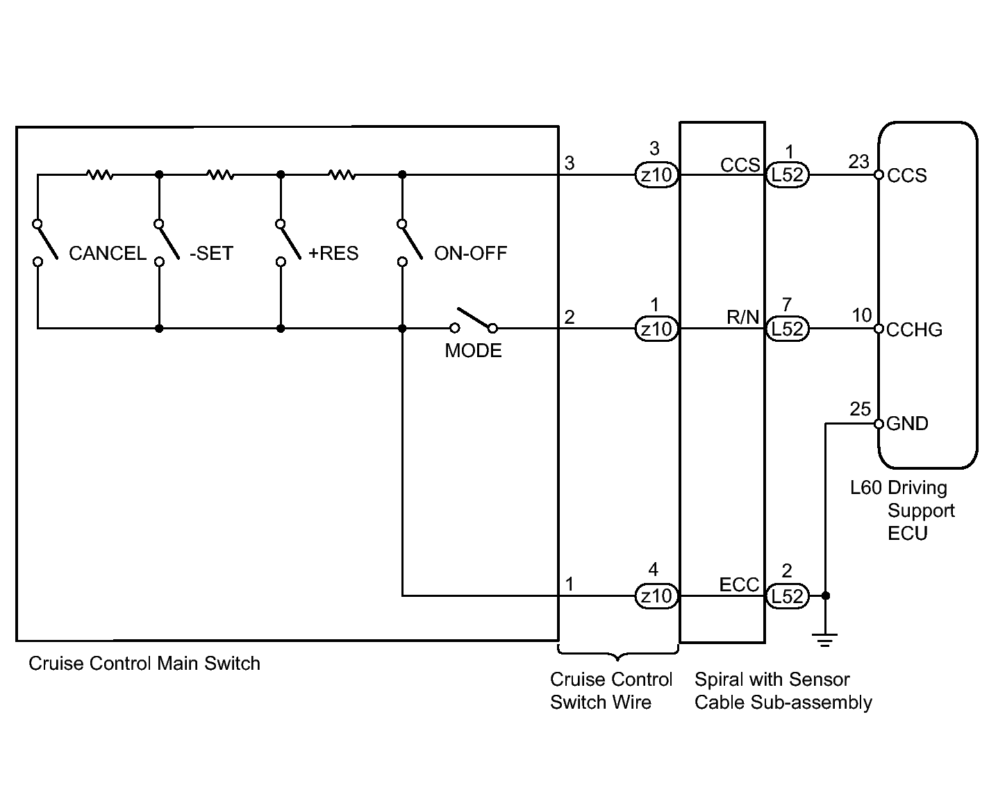
Cruise Control Switch Circuit: Wiring Diagram

WARNING: This page is about a different variant/trim than selected.
Fig 1: Cruise Control Switch Circuit Wiring Diagram
GTY228233Courtesy of © TOYOTA, LICENSE AGREEMENT TMS1002