LEMON Manuals: Even more car manuals for everyone: 1960-2025
Home >> Toyota >> 2013 >> Prius Three >> Repair and Diagnosis >> External Pages >> Different variant/trim >> Section 141 (OEM System Circuits (Plug-In)) >> Headlight Cleaner >> Notes
April 5, 2026: LEMON Manuals is launched! Read the announcement.

Headlight Cleaner: Notes

WARNING: This page is about a different variant/trim than selected.
Fig 1: Headlight Cleaner System Wiring Diagram (1 Of 4)
G09100283Courtesy of © TOYOTA, LICENSE AGREEMENT TMS1002
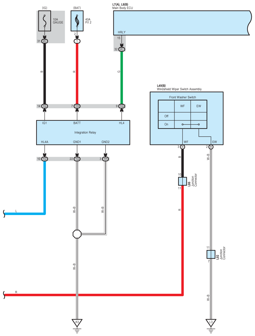
Fig 2: Headlight Cleaner System Wiring Diagram (2 Of 4)
G09100284Courtesy of © TOYOTA, LICENSE AGREEMENT TMS1002
Fig 3: Headlight Cleaner System Wiring Diagram (3 Of 4)
G09100285Courtesy of © TOYOTA, LICENSE AGREEMENT TMS1002
Fig 4: Headlight Cleaner System Wiring Diagram (4 Of 4)
G09100286Courtesy of © TOYOTA, LICENSE AGREEMENT TMS1002