LEMON Manuals: Even more car manuals for everyone: 1960-2025
Home >> Toyota >> 2013 >> Prius Two >> Repair and Diagnosis (Single Page) >> Accessories & Equipment >> Communication Devices >> Can Communication System (Diagnostic Codes & Symptom Tests) (Except Plug-In) >> Can Communication System >> DTC U1002: Lost Communication with Gateway Module (Power Management1) >> Wiring Diagram
April 5, 2026: LEMON Manuals is launched! Read the announcement.

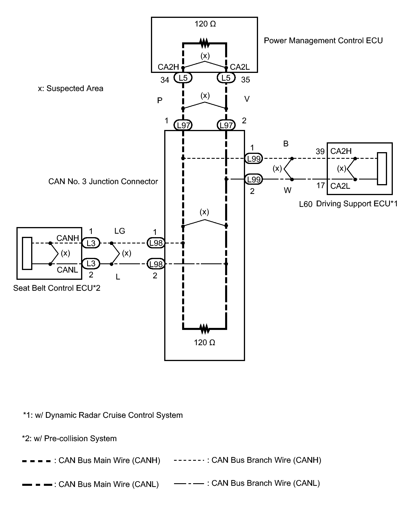
DTC U1002: Lost Communication with Gateway Module (Power Management1): Wiring Diagram

Fig 1: Gateway Module (Power Management 1) Wiring Diagram
GTY339312Courtesy of © TOYOTA, LICENSE AGREEMENT TMS1002