LEMON Manuals: Even more car manuals for everyone: 1960-2025
Home >> Toyota >> 2013 >> Prius Two >> Repair and Diagnosis (Single Page) >> Electrical >> Fuses & Circuit Breakers >> OEM Junction Block, Ecu & Fuse/Relay Locations (Except Plug-In) >> Junction Block Fuse, Relay & Circuit Identification >> Instrument Panel Junction Block Inner Circuit
April 5, 2026: LEMON Manuals is launched! Read the announcement.

Instrument Panel Junction Block Inner Circuit

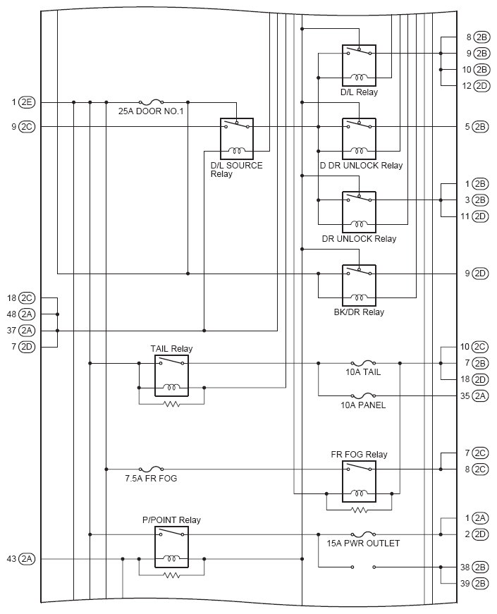
Fig 1: Instrument Panel J/B Assembly Relay Circuit Diagram (1 Of 5)
G09099254Courtesy of © TOYOTA, LICENSE AGREEMENT TMS1002
Fig 2: Instrument Panel J/B Assembly Relay Circuit Diagram (2 Of 5)
G09099255Courtesy of © TOYOTA, LICENSE AGREEMENT TMS1002
Instrument Panel J/B Inner Circuit Relay Identification

RELAY DESCRIPTION
D/L Relay
D DR Unlock Relay
DR Unlock Relay
BK/DR Relay
Tail Relay
FR Fog Relay
P/Point Relay
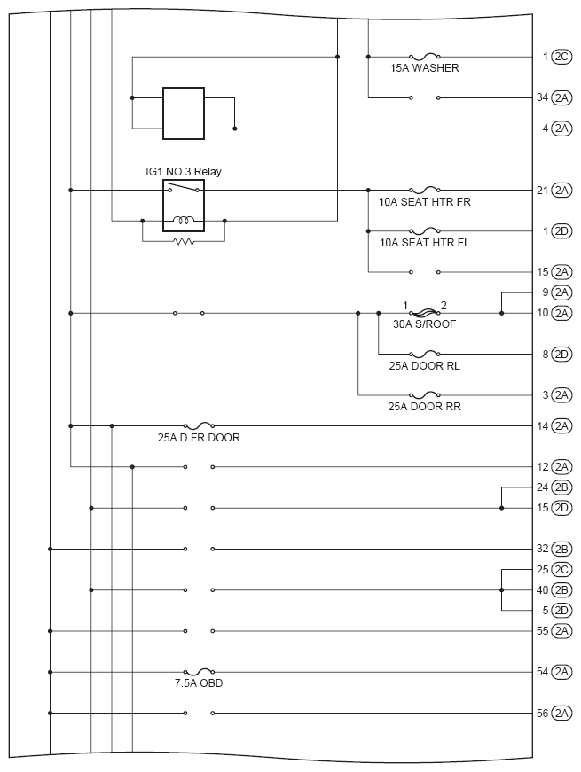
Fig 3: Instrument Panel J/B Assembly Relay Circuit Diagram (3 Of 5)
G09099256Courtesy of © TOYOTA, LICENSE AGREEMENT TMS1002
Instrument Panel J/B Inner Circuit Relay Identification

RELAY DESCRIPTION
ACC Relay
IG1 No. 1 Relay
IG1 No. 2 Relay
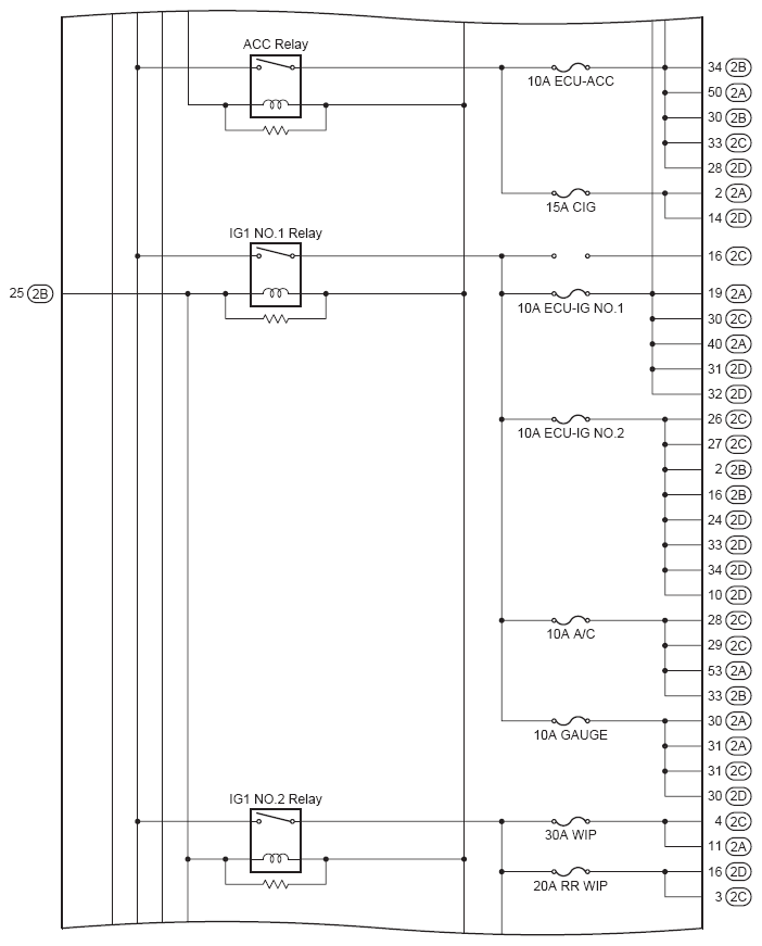
Fig 4: Instrument Panel J/B Assembly Relay Circuit Diagram (4 Of 5)
G09099257Courtesy of © TOYOTA, LICENSE AGREEMENT TMS1002
Instrument Panel J/B Inner Circuit Relay Identification

RELAY DESCRIPTION
IG1 No. 3 Relay
Fig 5: Instrument Panel J/B Assembly Relay Circuit Diagram (5 Of 5)
G09099258Courtesy of © TOYOTA, LICENSE AGREEMENT TMS1002