LEMON Manuals: Even more car manuals for everyone: 1960-2025
Home >> Toyota >> 2013 >> Prius Two >> Repair and Diagnosis (Single Page) >> Electrical >> Fuses & Circuit Breakers >> OEM Junction Block, Ecu & Fuse/Relay Locations (Plug-In) >> Relay Block Identification >> Engine Room Relay Block and Engine Room Junction Block Inner Circuit
April 5, 2026: LEMON Manuals is launched! Read the announcement.

Engine Room Relay Block and Engine Room Junction Block Inner Circuit

Fig 1: Engine Room Relay Block & Junction Block Inner Circuit Diagram (1 Of 3)
G09100075Courtesy of © TOYOTA, LICENSE AGREEMENT TMS1002
Engine Room R/B And J/B Inner Circuit Relay Identification

RELAY DESCRIPTION
Integration Relay
Fig 2: Engine Room Relay Block & Junction Block Inner Circuit Diagram (2 Of 3)
G09100076Courtesy of © TOYOTA, LICENSE AGREEMENT TMS1002
Fig 3: Engine Room Relay Block & Junction Block Inner Circuit Diagram (3 Of 3)
G09100078Courtesy of © TOYOTA, LICENSE AGREEMENT TMS1002
Engine Room R/B And J/B Inner Circuit Relay Identification

RELAY DESCRIPTION
IG2 Relay
BATT Fan Relay
EFI Main Relay
C/OPN Relay


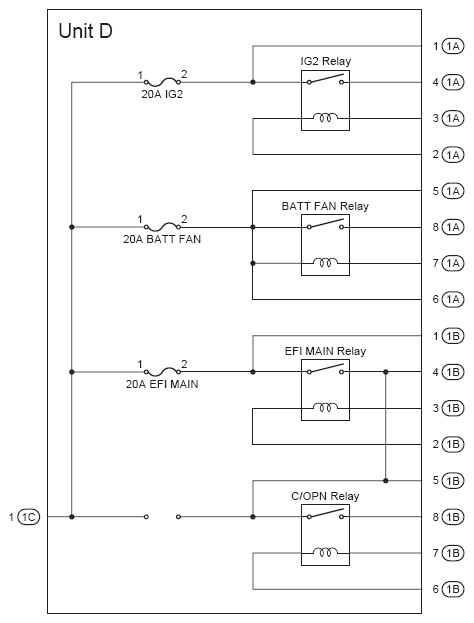
Fig 1: Engine Room Relay Block & Junction Block Assembly Inner Circuit Diagram (Unit D)
G09099247Courtesy of © TOYOTA, LICENSE AGREEMENT TMS1002
Engine Room R/B And J/B Inner Circuit Relay Identification

RELAY DESCRIPTION
IG2 Relay
BATT Fan Relay
EFI Main Relay
C/OPN Relay